CAD频道
CAD图库
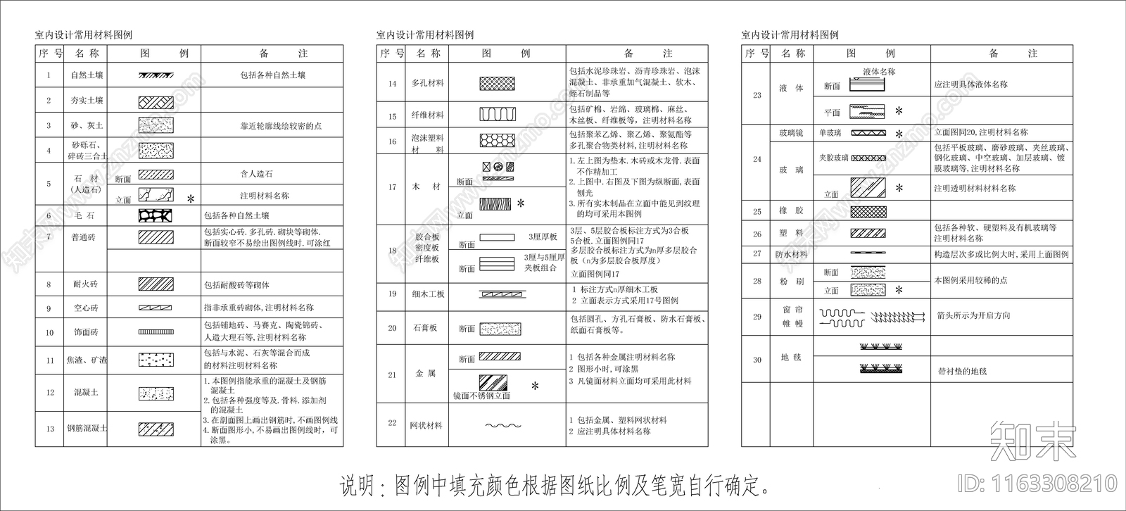
现代新中式综合制图规范 制图样板 施工图
1/
6
Previous
Next
现代新中式综合制图规范CAD下载
ID: 1163308210
复制
上传作者
小小尘壑
上传时间
2024-06-15
文件大小
1.88M
设计风格:
--
CAD版本:
CAD2004
包含文件:
CAD
授权
独家
立即下载
收藏
分享
举报
相关推荐
综合
制图规范
综合制图规范
图例
设计说明
字体
指北针
图框
索引图
封面
图表