CAD频道
CAD图库
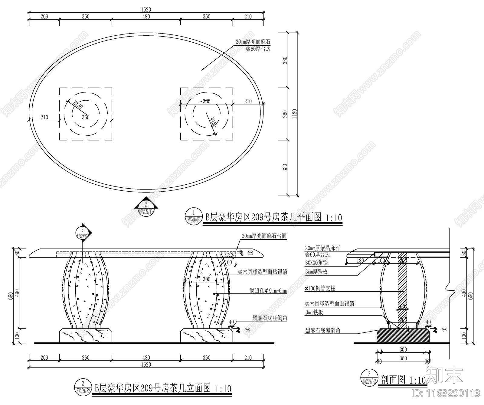
现代新中式吧台 服务台 水吧 吧椅 KTV茶几详图 施工图
1/
4
Previous
Next
现代新中式吧台CAD下载
ID: 1163290113
复制
上传作者
小小尘壑
上传时间
2024-06-15
文件大小
0.37M
设计风格:
--
CAD版本:
CAD2004
包含文件:
CAD
授权
独家
立即下载
收藏
分享
举报
相关推荐
综合
家具图库
吧台
沙发
桌椅
床
柜子
榻榻米
椅子
桌子
遮阳伞