CAD频道
CAD图库
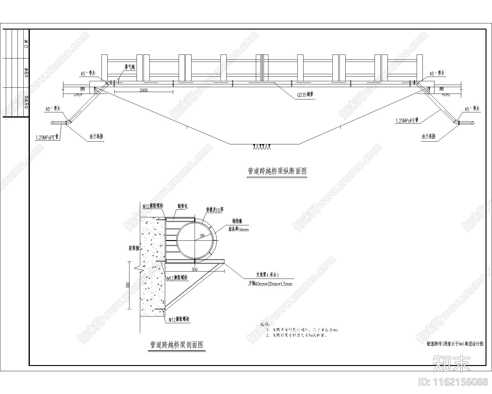
管道跨桥 跨度大于8m 典型设计图 施工图
管道跨桥CAD下载
ID: 1162156088
复制
上传作者
笑傲容颜
上传时间
2024-06-03
文件大小
0.06M
设计风格:
--
CAD版本:
CAD2010
包含文件:
CAD
授权
独家
立即下载
收藏
分享
举报
相关推荐
综合
节点详图
其他节点详图
吊顶节点
墙面节点
地面节点
门节点
建筑工程节点
景观小品
楼梯节点
水景