CAD频道
CAD图库
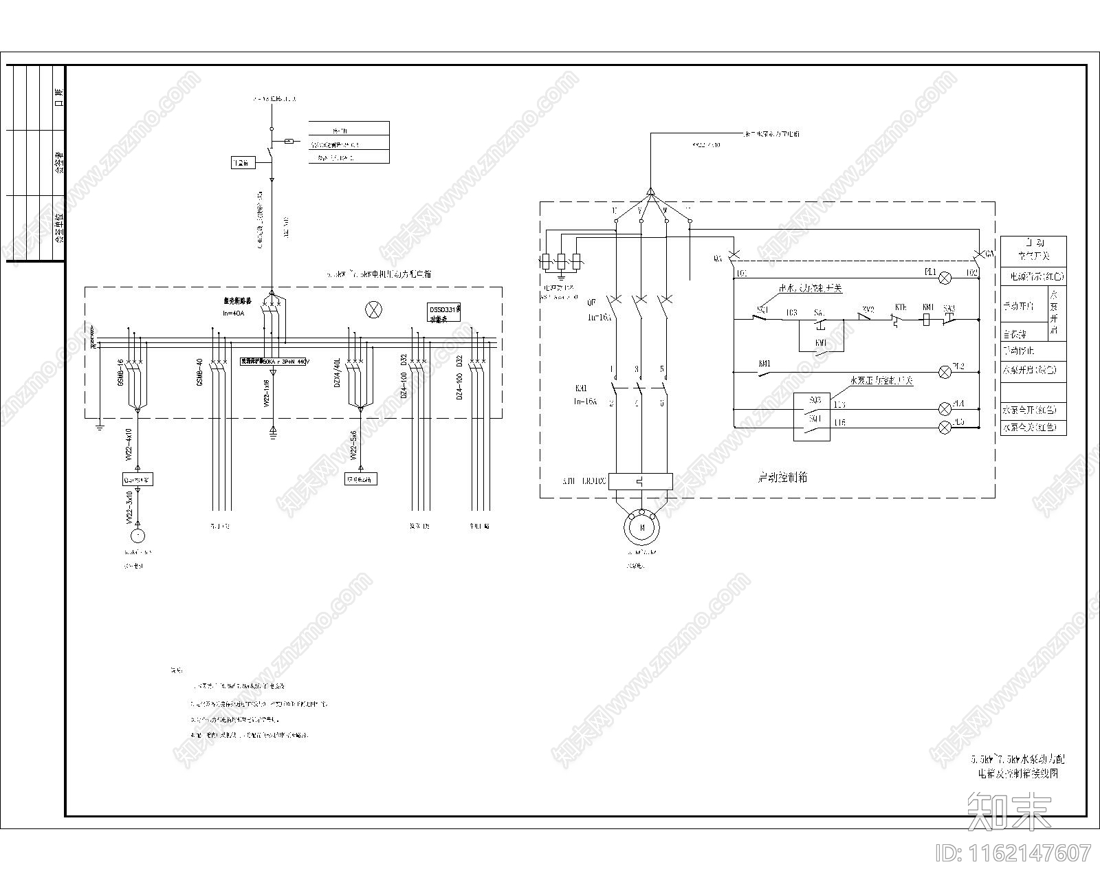
5 5kW 7 5kW水泵动力配电箱及控制箱接线图 施工图
5CAD下载
ID: 1162147607
复制
上传作者
笑傲容颜
上传时间
2024-06-02
文件大小
0.04M
设计风格:
--
CAD版本:
CAD2010
包含文件:
CAD
授权
独家
立即下载
收藏
分享
举报
相关推荐
综合
节点详图
器材设备详图
吊顶节点
墙面节点
地面节点
门节点
其他节点详图
建筑工程节点
景观小品
楼梯节点