
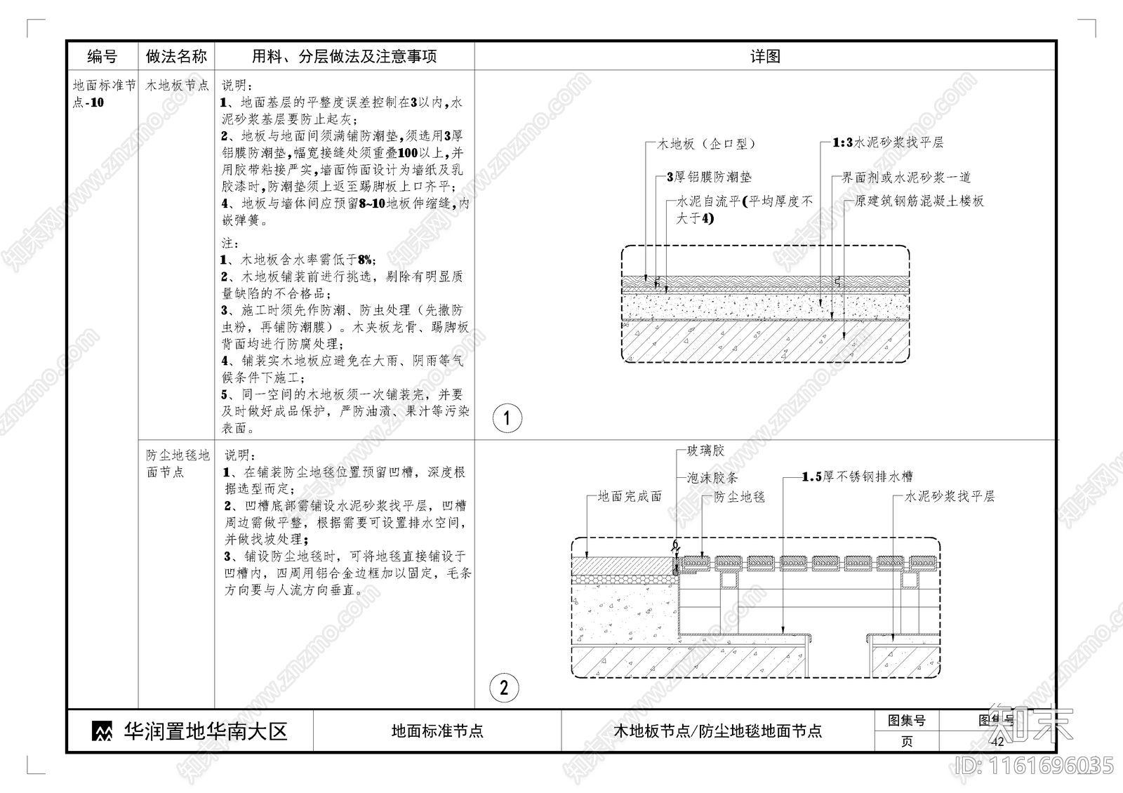
木地板节点防尘地毯地面节点CAD下载
ID: 1161696035
复制
上传作者
景观施工图互粉
景观施工图互粉上传时间2024-05-28
文件大小0.47M
设计风格:--
CAD版本:CAD2007
包含文件:CAD
授权独家
立即下载
收藏
分享
举报
相关推荐
综合
居住建筑
住宅楼建筑
四合院
别墅建筑
其他居住建筑
高层住宅
多层住宅
低层住宅
公寓建筑
联排住宅

景观施工图互粉上传时间2024-05-28
文件大小0.47M
设计风格:--
CAD版本:CAD2007
包含文件:CAD
授权独家