
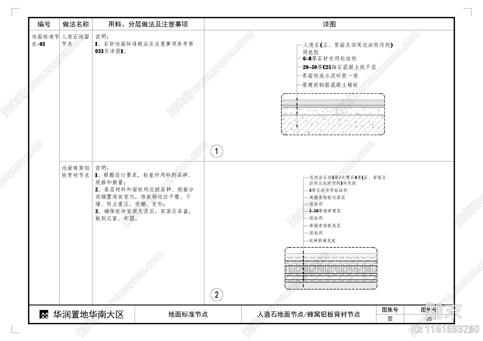
人造石地面节点蜂窝铝板背衬节点CAD下载
ID: 1161693760
复制
上传作者
景观施工图互粉
景观施工图互粉上传时间2024-05-28
文件大小0.33M
设计风格:--
CAD版本:CAD2007
包含文件:CAD
授权独家
立即下载
收藏
分享
举报
相关推荐
综合
地面节点
门槛石节点
地坪漆
地台节点
地毯节点
路面节点
木地板
花岗岩
地面综合节点

景观施工图互粉上传时间2024-05-28
文件大小0.33M
设计风格:--
CAD版本:CAD2007
包含文件:CAD
授权独家