1/3


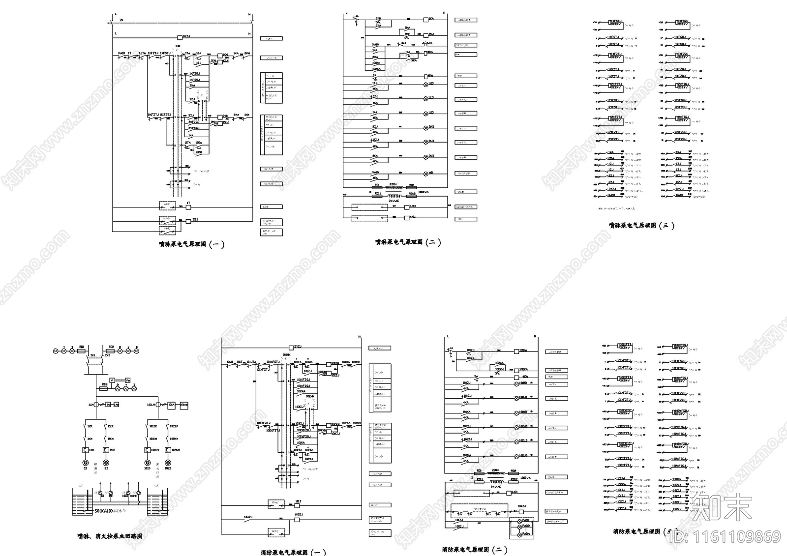
消防泵CAD下载
ID: 1161109869
复制
上传作者
大白搬砖来了
大白搬砖来了上传时间2024-05-21
文件大小0.94M
设计风格:--
CAD版本:CAD2004
包含文件:CAD
授权普通
立即下载
收藏
分享
举报
相关推荐
综合
机电工程
消防设施
给排水图
水处理
暖通空调
电气图
电气工程节点
机械设备
其他机电图纸
建筑给排水


大白搬砖来了上传时间2024-05-21
文件大小0.94M
设计风格:--
CAD版本:CAD2004
包含文件:CAD
授权普通