
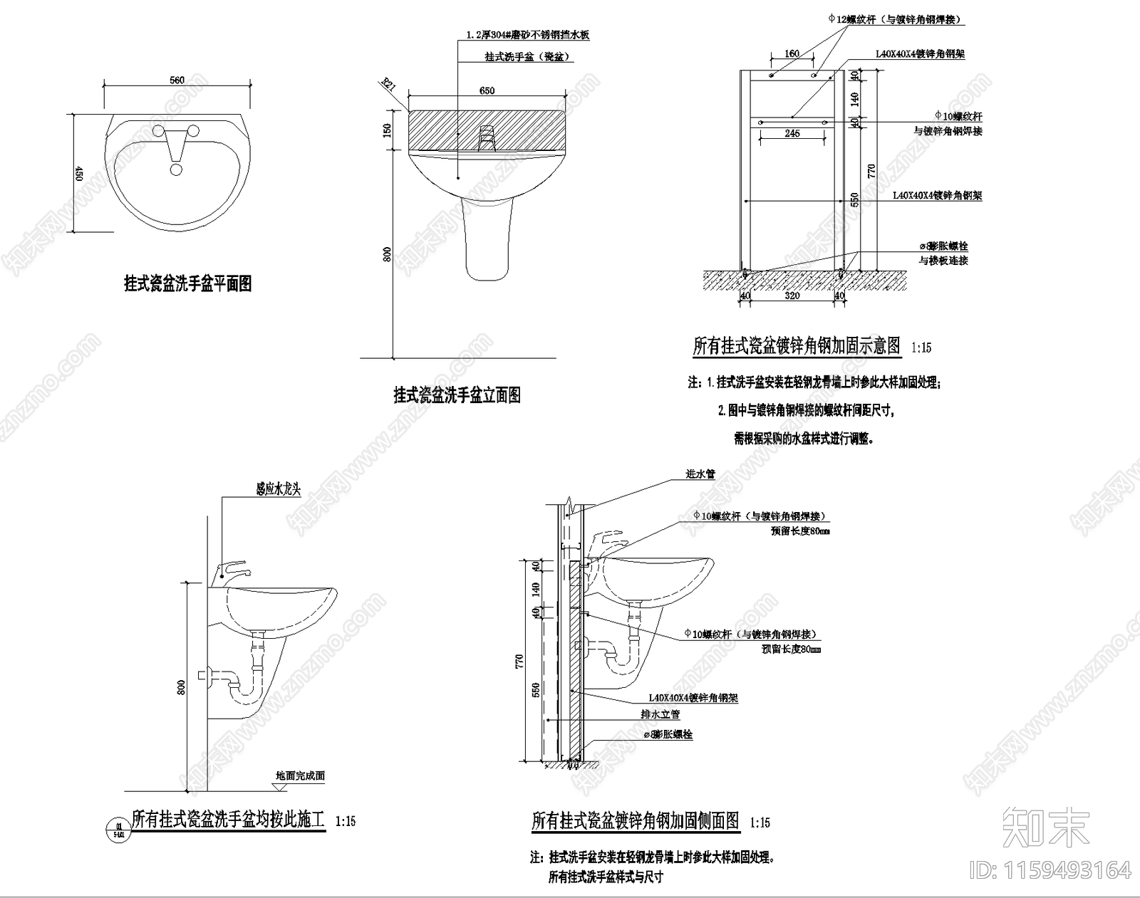
挂式洗手盆CAD下载
ID: 1159493164
复制
上传作者
37103848
37103848上传时间2024-04-29
文件大小0.05M
设计风格:现代简约
CAD版本:CAD2010
包含文件:CAD
授权独家
立即下载
收藏
分享
举报
相关推荐
综合
卫浴节点
洗手台节点
地漏节点
镜子节点
淋浴房节点
拖把池节点
卫生间防水
卫生间排水
卫生间隔断
卫生间综合节点

37103848上传时间2024-04-29
文件大小0.05M
设计风格:现代简约
CAD版本:CAD2010
包含文件:CAD
授权独家