1/3


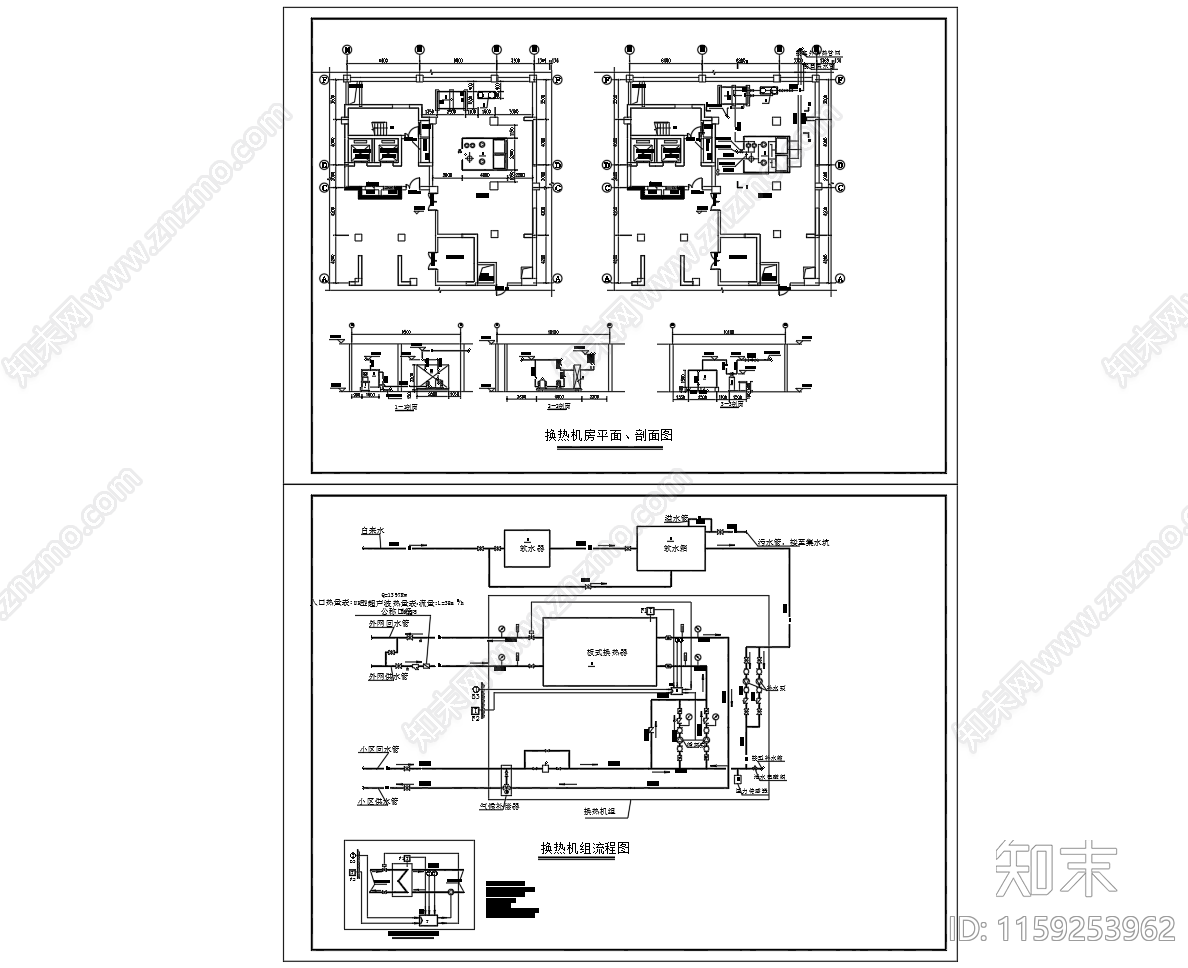
换热机组流程图CAD下载
ID: 1159253962
复制
上传作者
小小鱼鱼
小小鱼鱼上传时间2024-04-27
文件大小0.17M
设计风格:--
CAD版本:CAD2004
包含文件:CAD
授权独家
立即下载
收藏
分享
举报
相关推荐
综合
机电工程
暖通空调
给排水图
水处理
电气图
电气工程节点
消防设施
机械设备
其他机电图纸
建筑给排水


小小鱼鱼上传时间2024-04-27
文件大小0.17M
设计风格:--
CAD版本:CAD2004
包含文件:CAD
授权独家