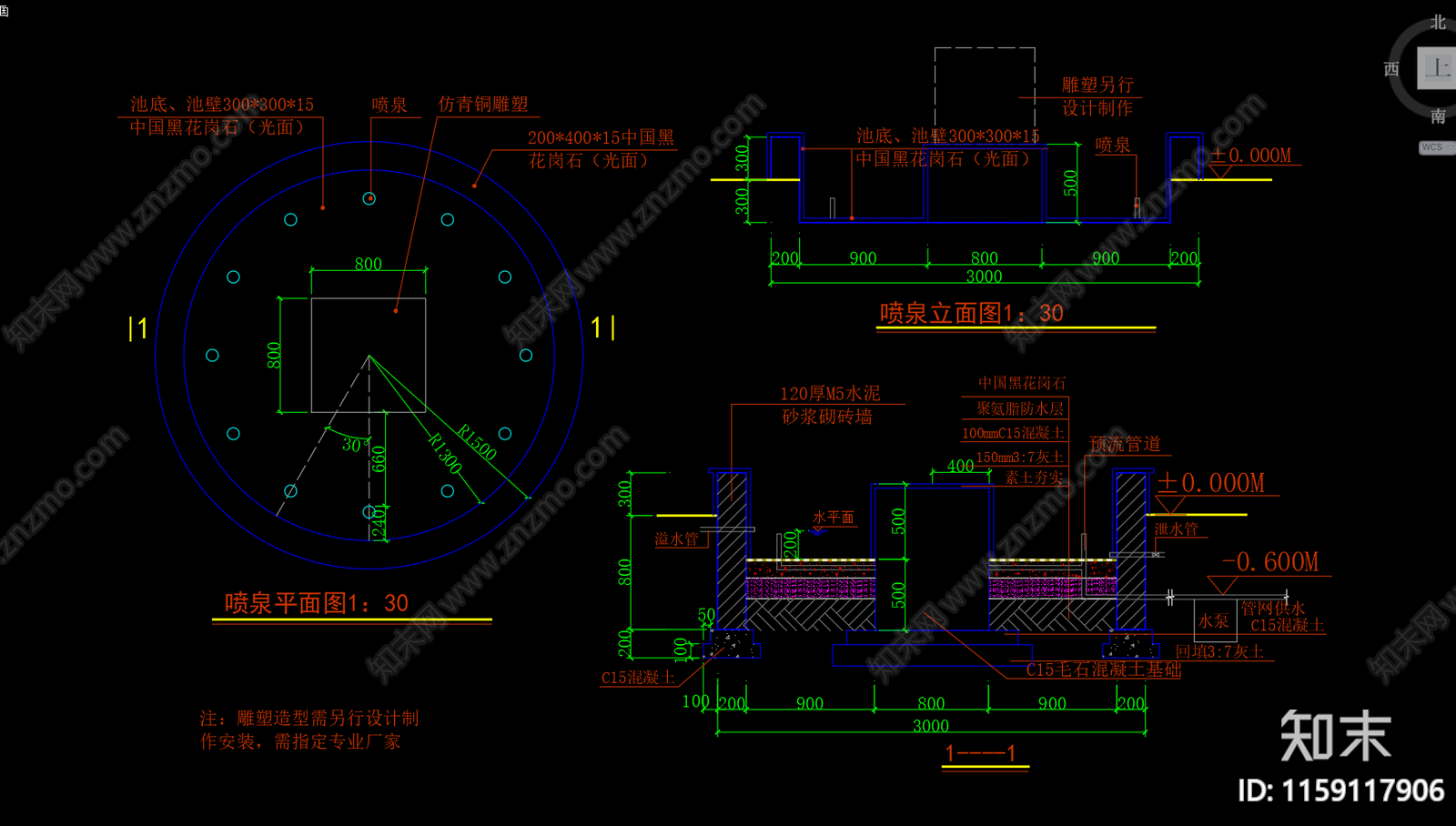
喷泉平面图施工图下载【ID:1159117906】

喷泉平面图CAD下载

ID: 1159117906
复制
上传作者
风景园林JA风景园林JA

上传时间2024-04-26

文件大小0.23M

设计风格:--

CAD版本:CAD2007

包含文件:CAD

授权普通

立即下载
收藏
分享
举报
相关推荐
综合
节点详图
水景
吊顶节点
墙面节点
地面节点
门节点
其他节点详图
建筑工程节点
景观小品
楼梯节点