CAD频道
CAD图库
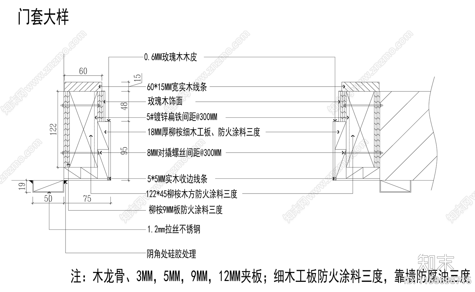
门窗套制作与安装 施工图 通用节点
1/
5
Previous
Next
门窗套制作与安装CAD下载
ID: 1158698716
复制
上传作者
小小尘壑
上传时间
2024-04-22
文件大小
0.24M
设计风格:
--
CAD版本:
CAD2004
包含文件:
CAD
授权
独家
立即下载
收藏
分享
举报
相关推荐
综合
门节点
综合门节点
入户门
铁艺大门
月洞门
玻璃门节点
推拉门节点
隐形门节点