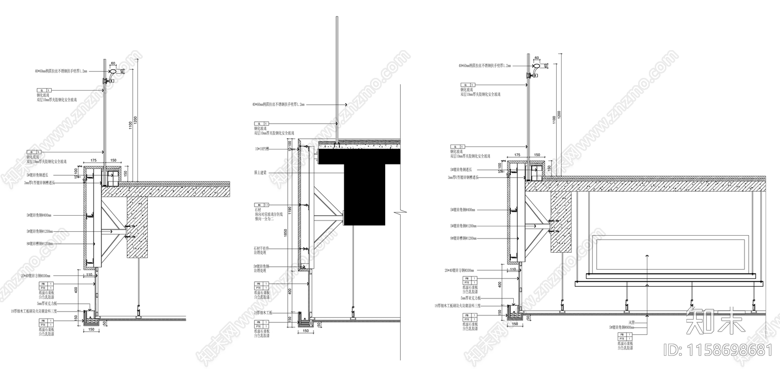
楼层玻璃栏杆详图施工图下载【ID:1158698681】

楼层玻璃栏杆详图CAD下载

ID: 1158698681
复制
上传作者
小小尘壑小小尘壑

上传时间2024-04-22

文件大小0.91M

设计风格:--

CAD版本:CAD2004

包含文件:CAD

授权独家

立即下载
收藏
分享
举报
相关推荐
综合
节点详图
楼梯节点
吊顶节点
墙面节点
地面节点
门节点
其他节点详图
建筑工程节点
景观小品
水景