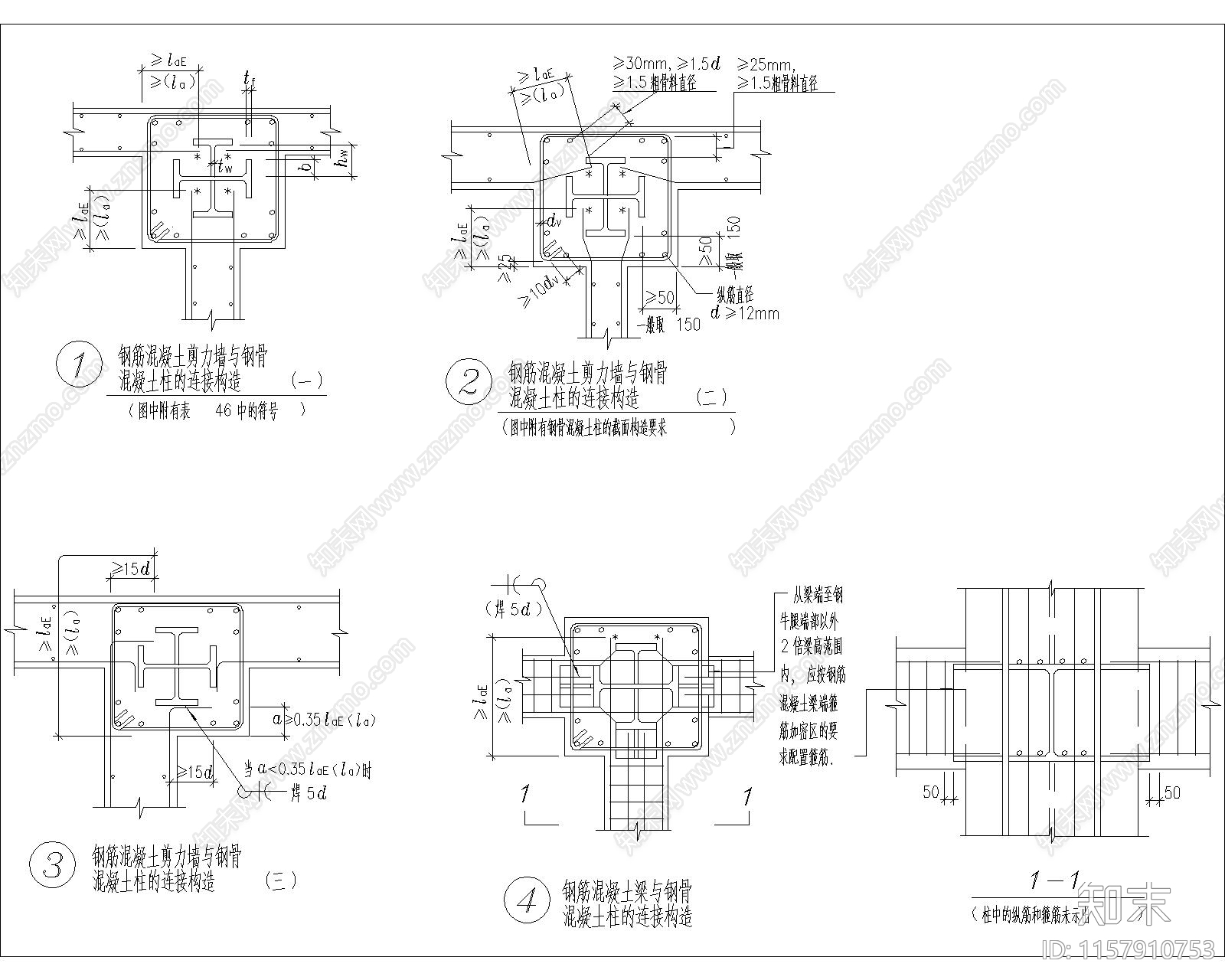
钢筋混凝土剪力墙与钢骨混凝土柱的连接构造施工图下载【ID:1157910753】

钢筋混凝土剪力墙与钢骨混凝土柱的连接构造CAD下载

ID: 1157910753
复制
上传作者
撞大墙啦撞大墙啦

上传时间2024-04-13

文件大小0.05M

设计风格:--

CAD版本:CAD2014

包含文件:CAD

授权普通

立即下载
收藏
分享
举报
相关推荐
综合
结构节点图
钢结构节点
桁架
混凝土节点
幕墙结构节点
转换层
其他结构设计