
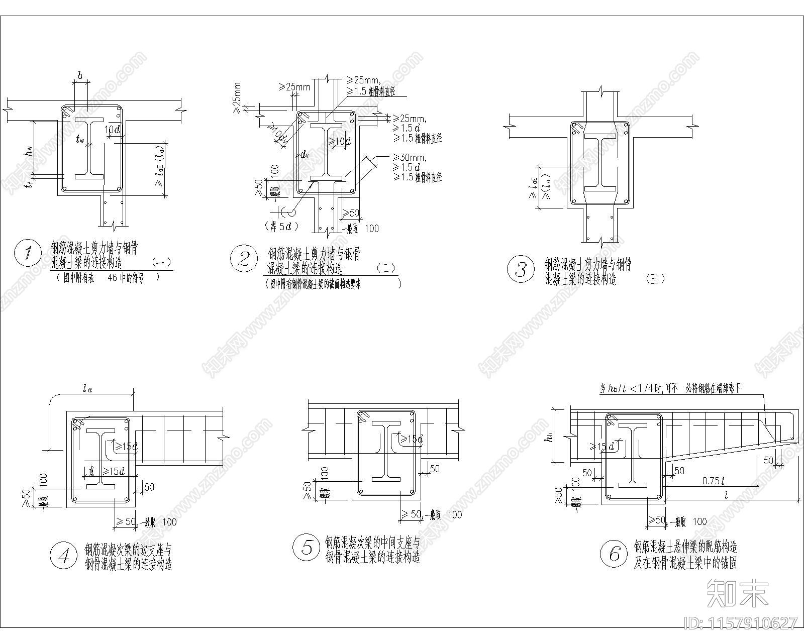
钢筋混凝土剪力墙与钢骨混凝土梁的连接构造CAD下载
ID: 1157910627
复制
上传作者
撞大墙啦
撞大墙啦上传时间2024-04-13
文件大小0.05M
设计风格:--
CAD版本:CAD2014
包含文件:CAD
授权普通
立即下载
收藏
分享
举报
相关推荐
综合
节点详图
梁节点
吊顶节点
墙面节点
地面节点
门节点
其他节点详图
建筑工程节点
景观小品
楼梯节点

撞大墙啦上传时间2024-04-13
文件大小0.05M
设计风格:--
CAD版本:CAD2014
包含文件:CAD
授权普通