
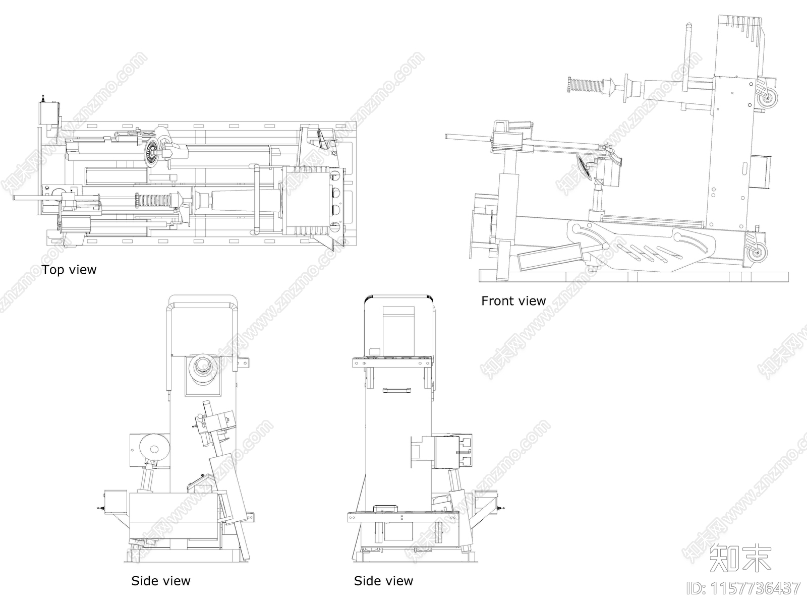
轮胎拆装机图库CAD下载
ID: 1157736437
复制
上传作者
优图酷图纸超市
优图酷图纸超市上传时间2024-04-11
文件大小0.65M
设计风格:现代简约
CAD版本:CAD2004
包含文件:CAD
授权独家
立即下载
收藏
分享
举报
相关推荐
综合
CAD图库
其他图库
家具图库
灯具图库
植物图库
填充图案
交通工具图库
工装图库
制图规范
软装摆件图库

优图酷图纸超市上传时间2024-04-11
文件大小0.65M
设计风格:现代简约
CAD版本:CAD2004
包含文件:CAD
授权独家