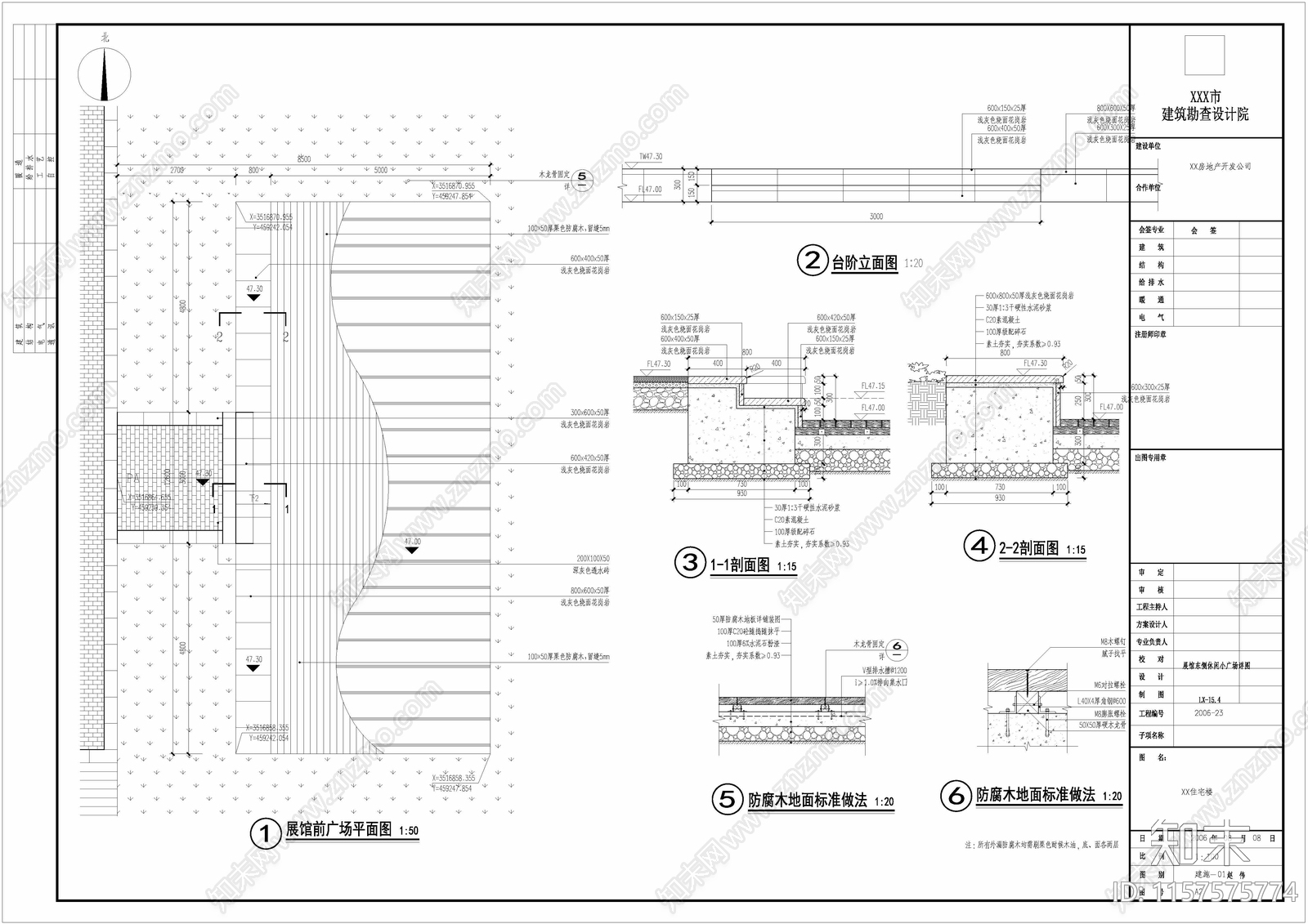
木平台台阶施工图下载【ID:1157575774】

木平台台阶CAD下载

ID: 1157575774
复制
上传作者
厚积薄发厚积薄发

上传时间2024-04-09

文件大小1.03M

设计风格:现代简约

CAD版本:CAD2004

包含文件:CAD

授权普通

立即下载
收藏
分享
举报
相关推荐
综合
景观小品
平台
亭子
廊架
景墙
综合景观小品
雨棚
围墙
挡土墙
入口