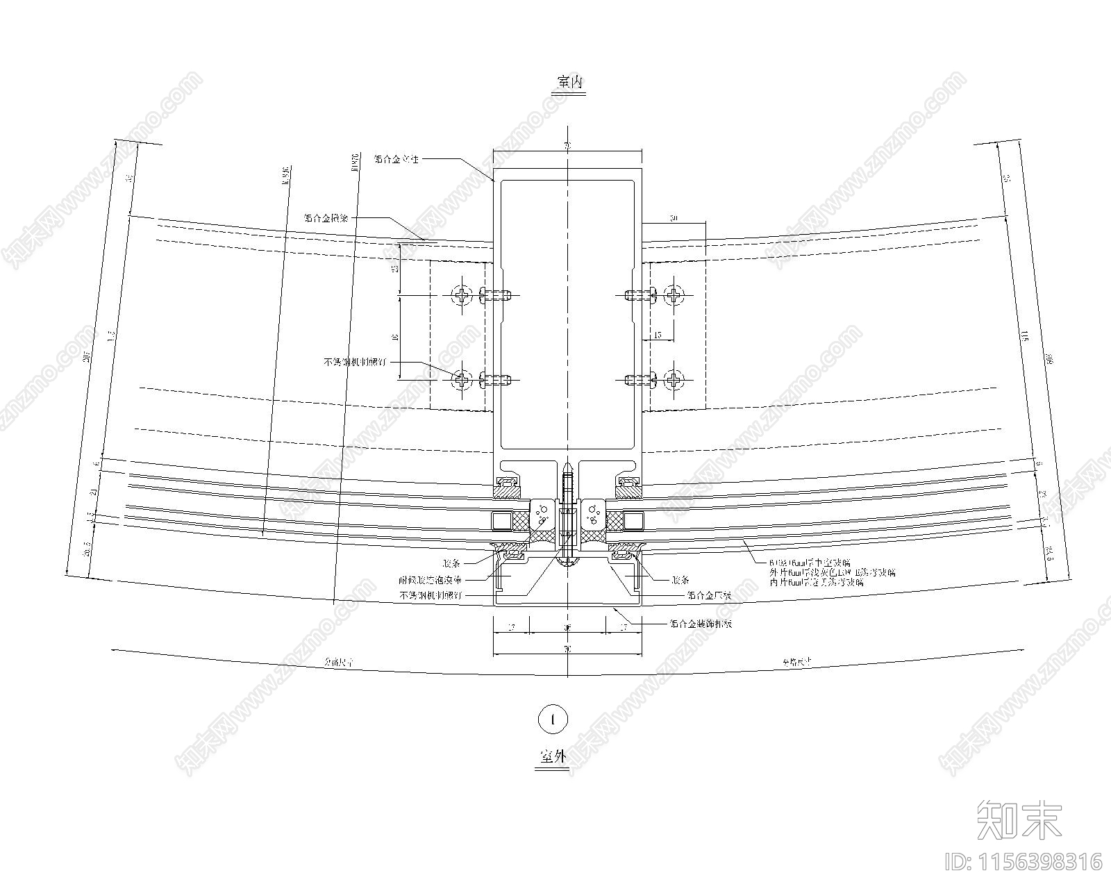
弧型明框幕墙横剖节点图施工图下载【ID:1156398316】

弧型明框幕墙横剖节点图CAD下载

ID: 1156398316
复制
上传作者
笑傲容颜笑傲容颜

上传时间2024-03-25

文件大小0.04M

设计风格:--

CAD版本:CAD2010

包含文件:CAD

授权独家

立即下载
收藏
分享
举报
相关推荐
综合
结构节点图
幕墙结构节点
桁架
钢结构节点
混凝土节点
转换层
其他结构设计