
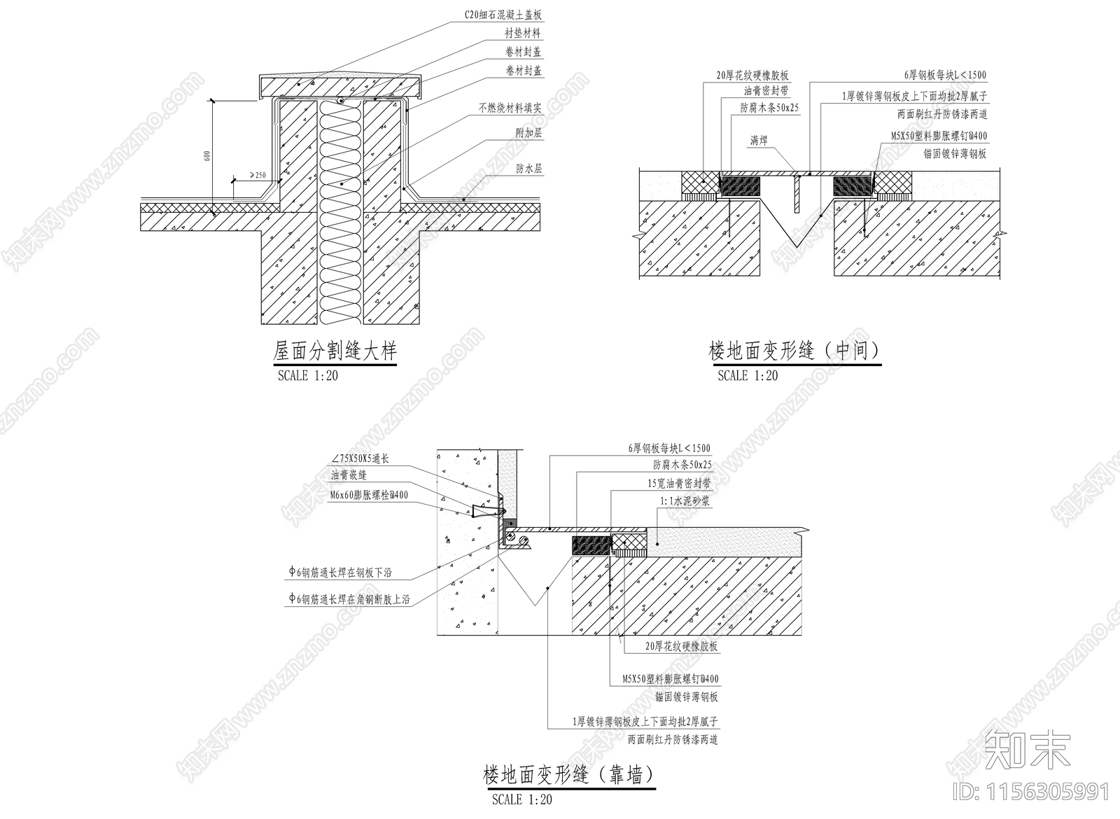
建筑变形缝节点做法CAD下载
ID: 1156305991
复制
上传作者
(盗模必追)节点图合集
(盗模必追)节点图合集上传时间2024-03-24
文件大小0.98M
设计风格:--
CAD版本:CAD2007
包含文件:CAD
授权独家
立即下载
收藏
分享
举报
相关推荐
综合
地面节点
地面综合节点
地坪漆
地台节点
地毯节点
路面节点
门槛石节点
木地板
花岗岩

(盗模必追)节点图合集上传时间2024-03-24
文件大小0.98M
设计风格:--
CAD版本:CAD2007
包含文件:CAD
授权独家