1/2


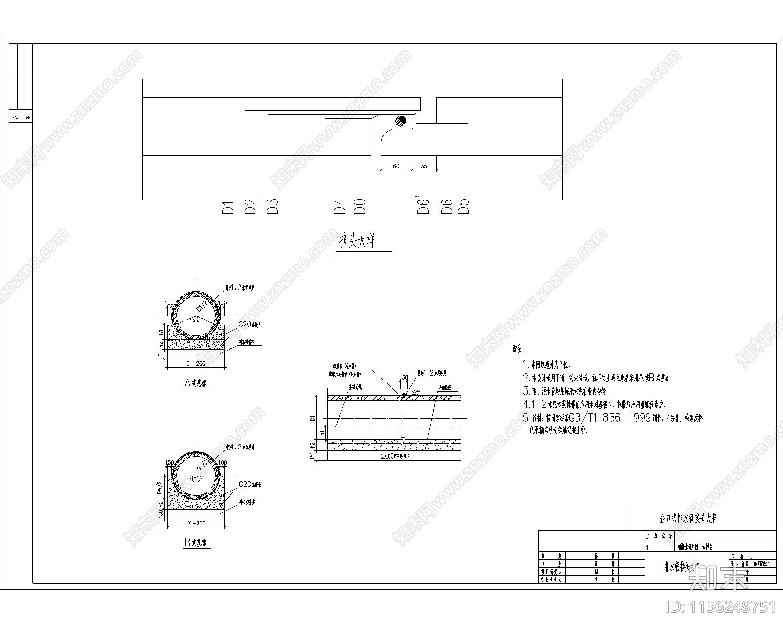
排水管接头大样图CAD下载
ID: 1156249751
复制
上传作者
撞大墙啦
撞大墙啦上传时间2024-03-23
文件大小0.09M
设计风格:--
CAD版本:CAD2014
包含文件:CAD
授权普通
立即下载
收藏
分享
举报
相关推荐
综合
节点详图
包管节点
吊顶节点
墙面节点
地面节点
门节点
其他节点详图
建筑工程节点
景观小品
楼梯节点


撞大墙啦上传时间2024-03-23
文件大小0.09M
设计风格:--
CAD版本:CAD2014
包含文件:CAD
授权普通