CAD频道
CAD图库
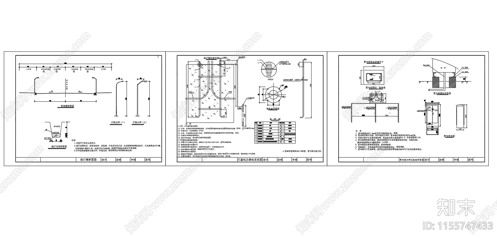
12米路灯照明横断面图基础图 施工图 景观小品
1/
4
Previous
Next
12米路灯照明横断面图基础图CAD下载
ID: 1155747433
复制
上传作者
小小鱼鱼
上传时间
2024-03-17
文件大小
0.25M
设计风格:
--
CAD版本:
CAD2004
包含文件:
CAD
授权
独家
立即下载
收藏
分享
举报
相关推荐
综合
景观小品
综合景观小品
亭子
廊架
景墙
雨棚
围墙
挡土墙
入口
景观坐凳