1/9


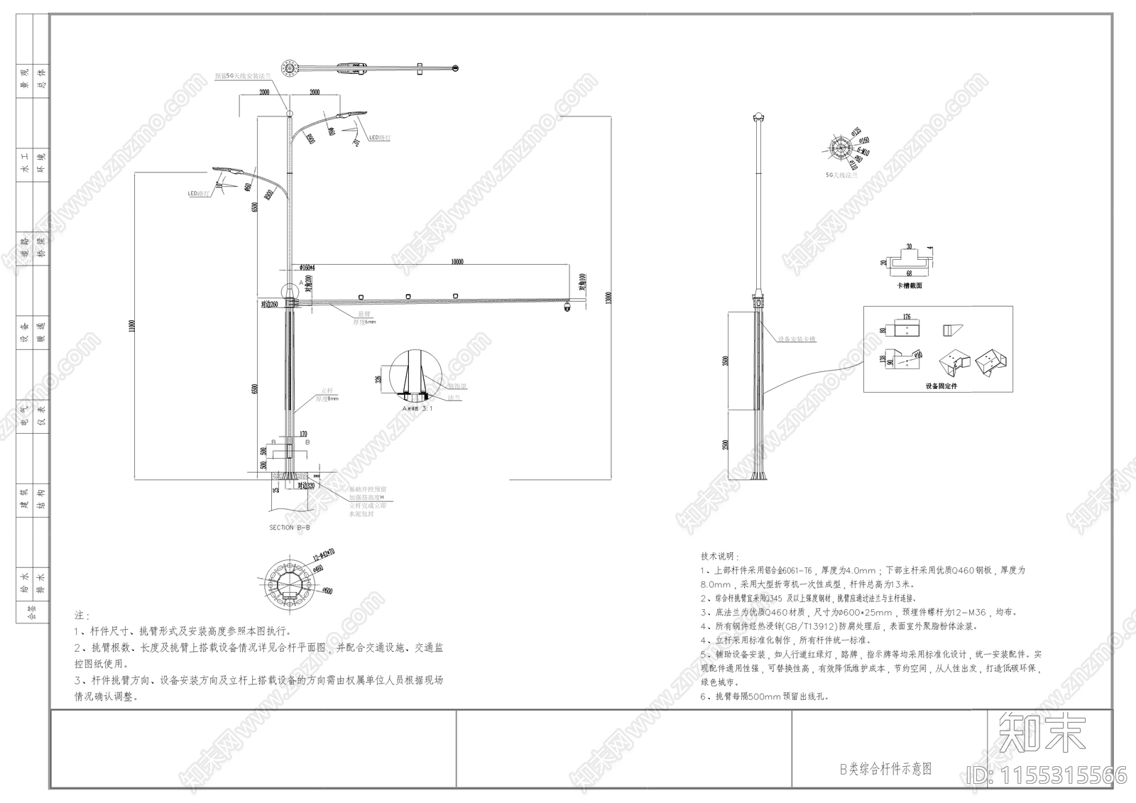
现代桥梁5类栏杆尺寸及技术说明图纸CAD下载
ID: 1155315566
复制
上传作者
544258866
544258866上传时间2024-03-12
文件大小3.51M
设计风格:--
CAD版本:CAD2010
包含文件:CAD
授权独家
立即下载
收藏
分享
举报
相关推荐
综合
节点详图
楼梯节点
吊顶节点
墙面节点
地面节点
门节点
其他节点详图
建筑工程节点
景观小品
水景


544258866上传时间2024-03-12
文件大小3.51M
设计风格:--
CAD版本:CAD2010
包含文件:CAD
授权独家