1/9


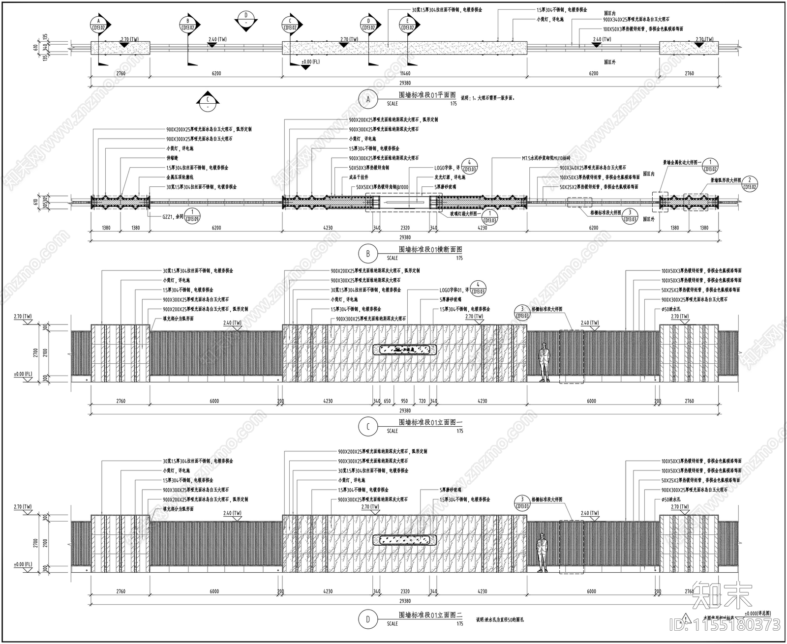
现代风格小区围墙详图CAD下载
ID: 1155180373
复制
上传作者
704564
704564上传时间2024-03-11
文件大小10.18M
设计风格:现代简约
CAD版本:CAD2007
包含文件:CAD
授权普通
立即下载
收藏
分享
举报
相关推荐
综合
景观小品
围墙
亭子
廊架
景墙
综合景观小品
雨棚
挡土墙
入口
景观坐凳


704564上传时间2024-03-11
文件大小10.18M
设计风格:现代简约
CAD版本:CAD2007
包含文件:CAD
授权普通