
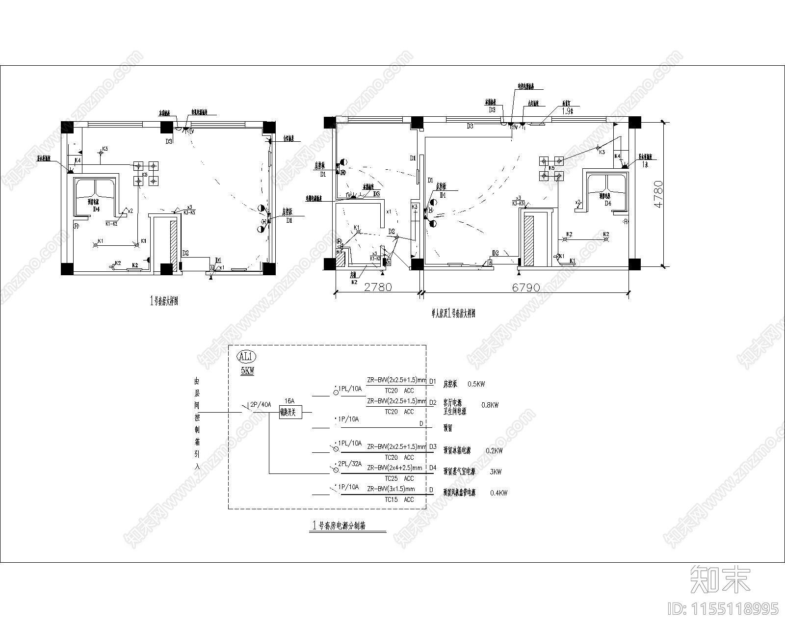
某酒店房间1电气大样CAD下载
ID: 1155118995
复制
上传作者
撞大墙啦
撞大墙啦上传时间2024-03-10
文件大小0.07M
设计风格:--
CAD版本:CAD2014
包含文件:CAD
授权普通
立即下载
收藏
分享
举报
相关推荐
综合
机电工程
电气图
给排水图
水处理
暖通空调
电气工程节点
消防设施
机械设备
其他机电图纸
建筑给排水

撞大墙啦上传时间2024-03-10
文件大小0.07M
设计风格:--
CAD版本:CAD2014
包含文件:CAD
授权普通