CAD频道
CAD图库
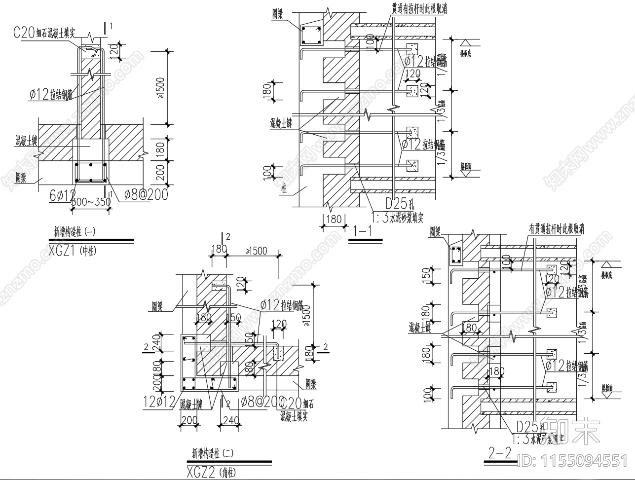
新增构造柱 圈梁节点图 施工图
1/
3
Previous
Next
新增构造柱CAD下载
ID: 1155094551
复制
上传作者
小小鱼鱼
上传时间
2024-03-10
文件大小
0.12M
设计风格:
--
CAD版本:
CAD2004
包含文件:
CAD
授权
独家
立即下载
收藏
分享
举报
相关推荐
综合
节点详图
梁节点
吊顶节点
墙面节点
地面节点
门节点
其他节点详图
建筑工程节点
景观小品
楼梯节点