1/2


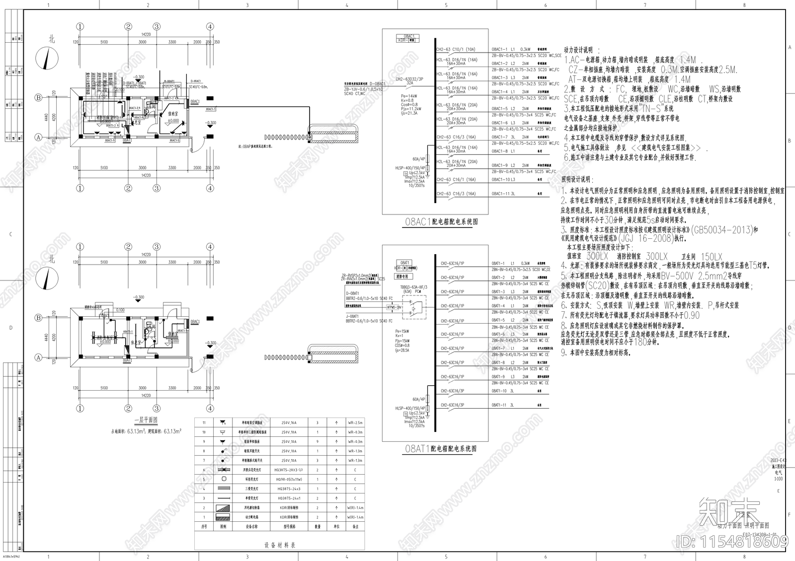
门卫及消防控制室电气CAD下载
ID: 1154818609
复制
上传作者
天选搬砖
天选搬砖上传时间2024-03-06
文件大小0.27M
设计风格:--
CAD版本:CAD2014
包含文件:CAD
授权独家
立即下载
收藏
分享
举报
相关推荐
综合
机电工程
电气图
给排水图
水处理
暖通空调
电气工程节点
消防设施
机械设备
其他机电图纸
建筑给排水


天选搬砖上传时间2024-03-06
文件大小0.27M
设计风格:--
CAD版本:CAD2014
包含文件:CAD
授权独家