1/2


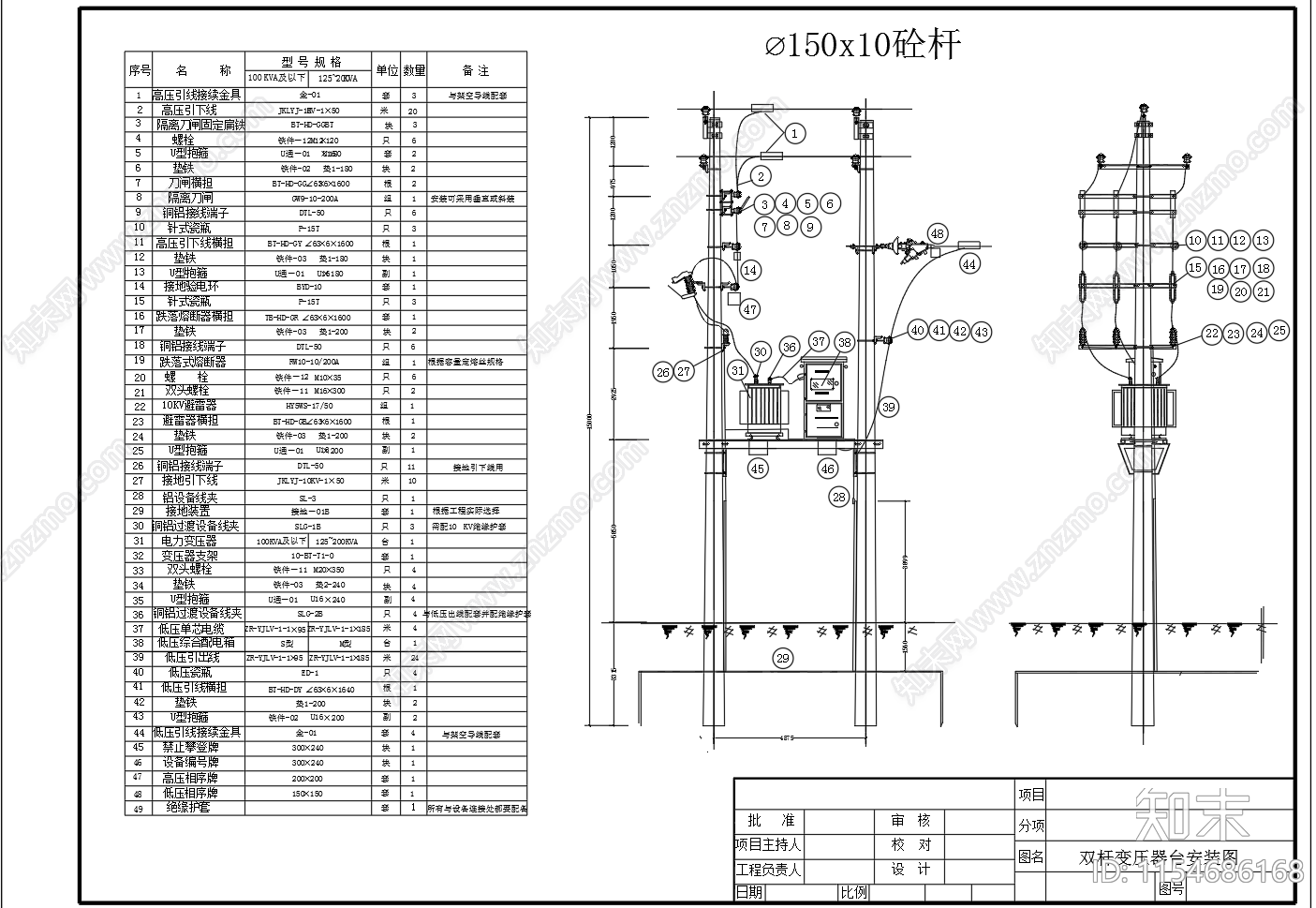
双杆变压器安装图节点CAD下载
ID: 1154686168
复制
上传作者
小小鱼鱼
小小鱼鱼上传时间2024-03-04
文件大小0.17M
设计风格:--
CAD版本:CAD2004
包含文件:CAD
授权独家
立即下载
收藏
分享
举报
相关推荐
综合
节点详图
其他节点详图
吊顶节点
墙面节点
地面节点
门节点
建筑工程节点
景观小品
楼梯节点
水景


小小鱼鱼上传时间2024-03-04
文件大小0.17M
设计风格:--
CAD版本:CAD2004
包含文件:CAD
授权独家