CAD频道
CAD图库
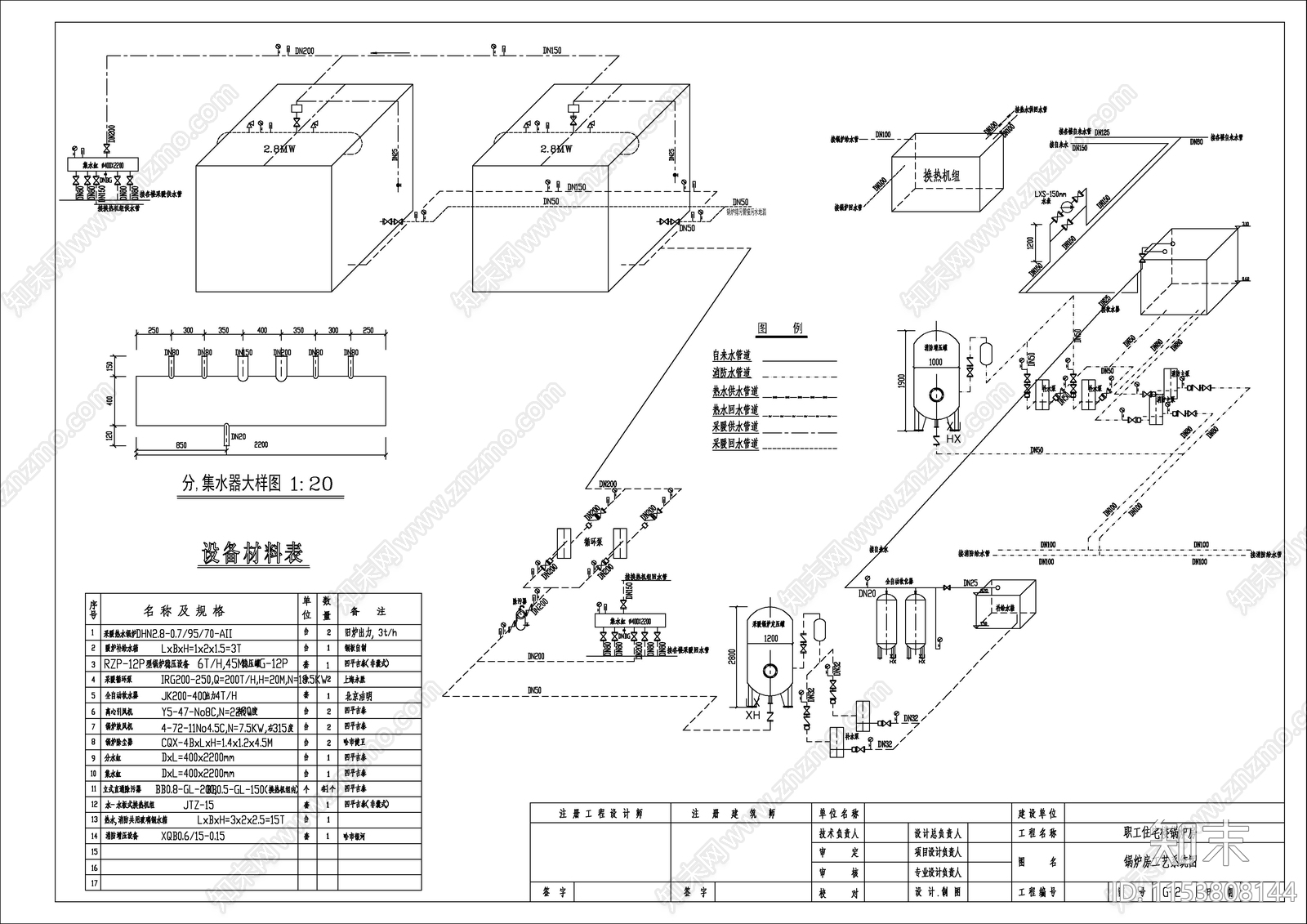
职工住宅楼锅炉房给排水 施工图 建筑给排水 给排水图
1/
5
Previous
Next
职工住宅楼锅炉房给排水CAD下载
ID: 1153808144
复制
上传作者
TXDC
上传时间
2024-02-16
文件大小
0.87M
设计风格:
--
CAD版本:
--
包含文件:
CAD
授权
独家
立即下载
收藏
分享
举报
相关推荐
综合
机电工程
建筑给排水
给排水图
水处理
暖通空调
电气图
电气工程节点
消防设施
机械设备
其他机电图纸