CAD频道
CAD图库
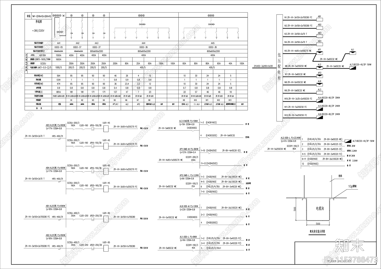
某喷漆厂房强电 施工图 建筑电气 电气图
1/
4
Previous
Next
某喷漆厂房强电CAD下载
ID: 1153788473
复制
上传作者
TXDC
上传时间
2024-02-15
文件大小
0.22M
设计风格:
--
CAD版本:
--
包含文件:
CAD
授权
独家
立即下载
收藏
分享
举报
相关推荐
综合
机电工程
电气图
给排水图
水处理
暖通空调
电气工程节点
消防设施
机械设备
其他机电图纸
建筑给排水