CAD频道
CAD图库
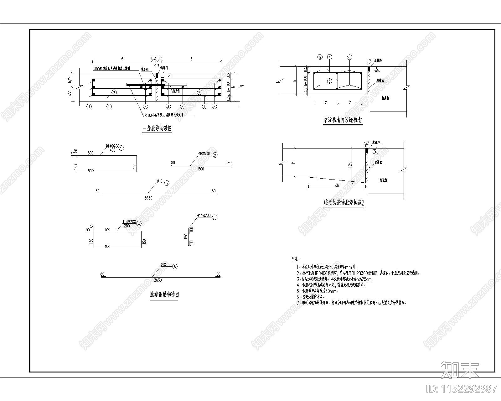
水泥混凝土路面接缝构造图 施工图 通用节点
1/
3
Previous
Next
水泥混凝土路面接缝构造图CAD下载
ID: 1152292387
复制
上传作者
笑傲容颜
上传时间
2024-01-13
文件大小
0.09M
设计风格:
--
CAD版本:
CAD2013
包含文件:
CAD
授权
独家
立即下载
收藏
分享
举报
相关推荐
综合
景观小品
道路
亭子
廊架
景墙
综合景观小品
雨棚
围墙
挡土墙
入口