1/9


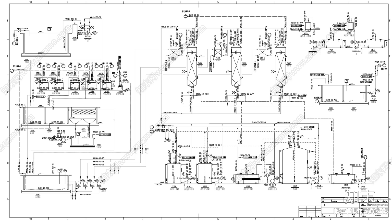
印染废水深度处理工程CAD下载
ID: 1151700215
复制
上传作者
承诺不熬椰
承诺不熬椰上传时间2024-01-04
文件大小0.68M
设计风格:--
CAD版本:CAD2004
包含文件:CAD
授权独家
立即下载
收藏
分享
举报
相关推荐
综合
机电工程
水处理
给排水图
暖通空调
电气图
电气工程节点
消防设施
机械设备
其他机电图纸
建筑给排水


承诺不熬椰上传时间2024-01-04
文件大小0.68M
设计风格:--
CAD版本:CAD2004
包含文件:CAD
授权独家