1/2


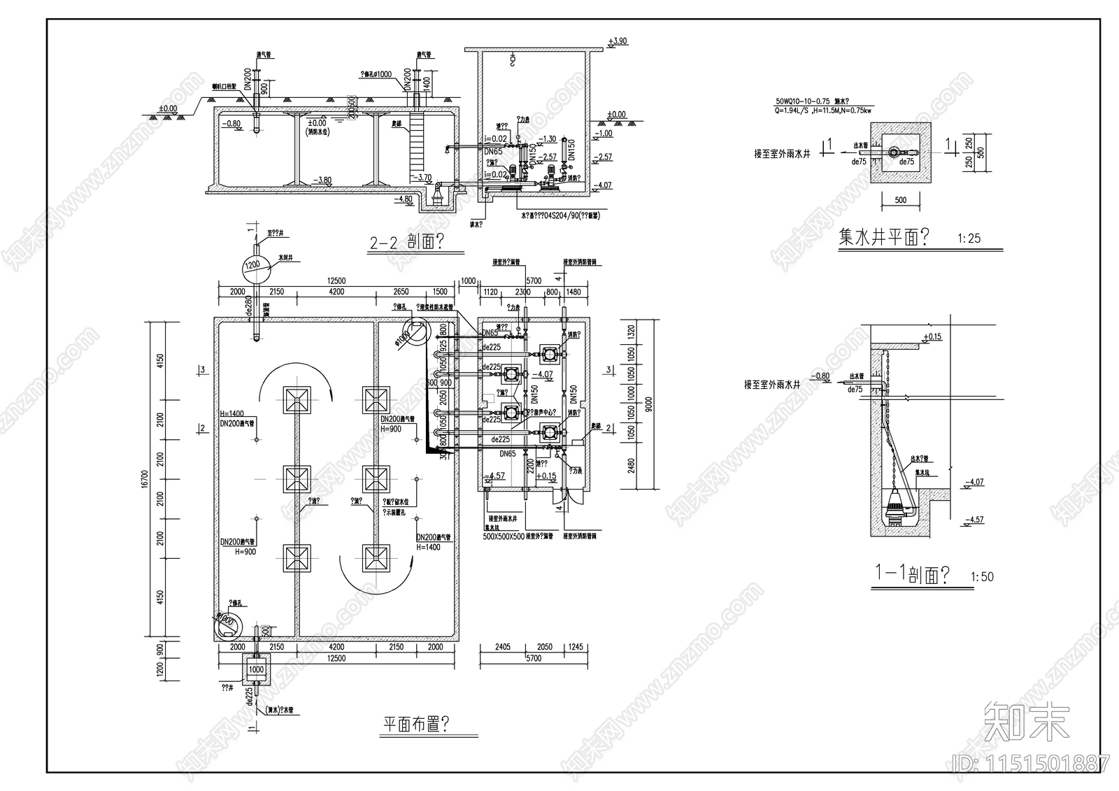
800方水池及泵房剖面图CAD下载
ID: 1151501887
复制
上传作者
承诺不熬椰
承诺不熬椰上传时间2024-01-02
文件大小0.19M
设计风格:现代简约
CAD版本:CAD2004
包含文件:CAD
授权独家
立即下载
收藏
分享
举报
相关推荐
综合
节点详图
水景
吊顶节点
墙面节点
地面节点
门节点
其他节点详图
建筑工程节点
景观小品
楼梯节点


承诺不熬椰上传时间2024-01-02
文件大小0.19M
设计风格:现代简约
CAD版本:CAD2004
包含文件:CAD
授权独家