
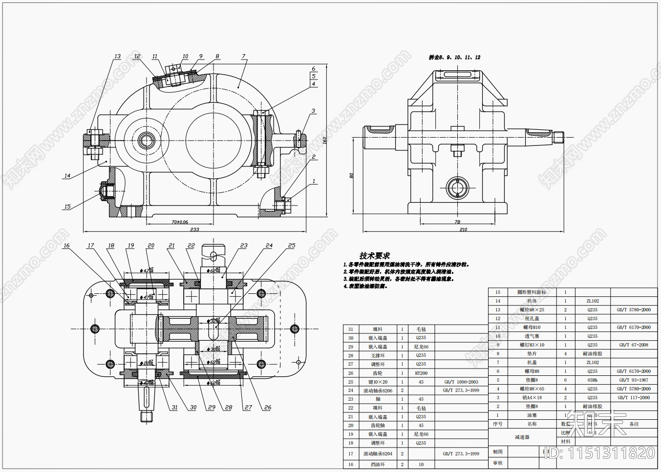
减速器装配图CAD下载
ID: 1151311820
复制
上传作者
嫩牛五方【互】
嫩牛五方【互】上传时间2023-12-29
文件大小0.12M
设计风格:--
CAD版本:CAD2004
包含文件:CAD
授权独家
立即下载
收藏
分享
举报
相关推荐
综合
节点详图
其他节点详图
吊顶节点
墙面节点
地面节点
门节点
建筑工程节点
景观小品
楼梯节点
水景

嫩牛五方【互】上传时间2023-12-29
文件大小0.12M
设计风格:--
CAD版本:CAD2004
包含文件:CAD
授权独家