CAD频道
CAD图库
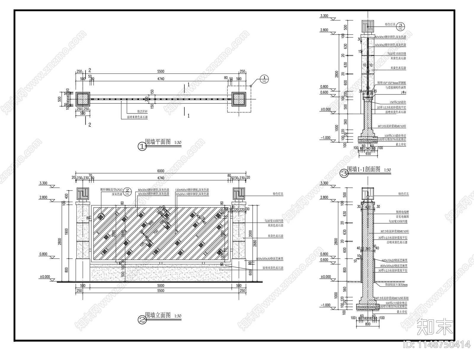
货车卸货围墙节点 施工图
1/
3
Previous
Next
货车卸货围墙节点CAD下载
ID: 1148750414
复制
上传作者
云曦-°
上传时间
2023-11-23
文件大小
0.14M
设计风格:
现代简约
CAD版本:
CAD2012
包含文件:
CAD
授权
独家
立即下载
收藏
分享
举报
相关推荐
综合
景观小品
围墙
亭子
廊架
景墙
综合景观小品
雨棚
挡土墙
入口
景观坐凳