
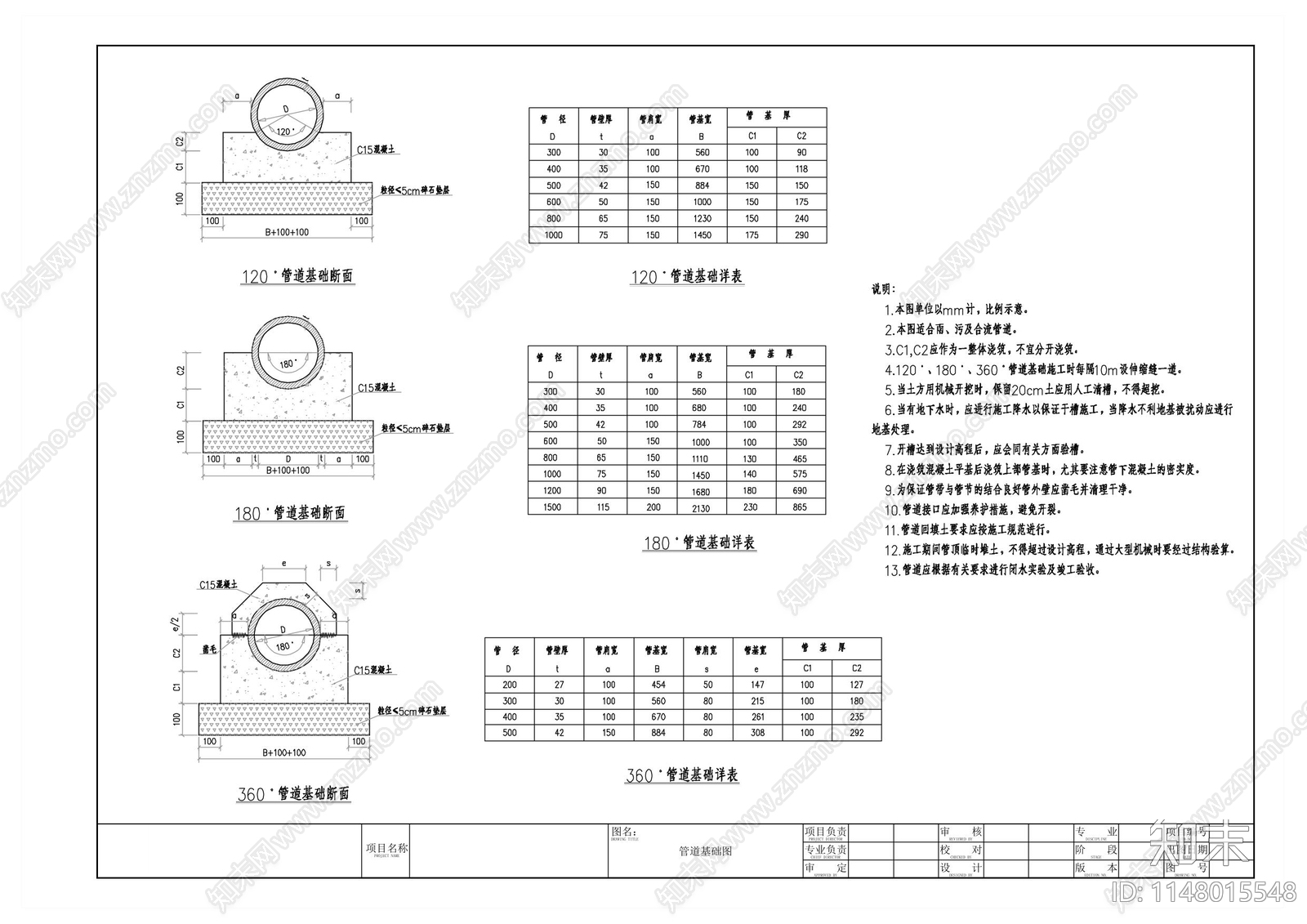
管道基础混凝土结构大样CAD下载
ID: 1148015548
复制
上传作者
weirdo
weirdo上传时间2023-11-14
文件大小0.16M
设计风格:现代简约
CAD版本:CAD2004
包含文件:CAD
授权独家
立即下载
收藏
分享
举报
相关推荐
综合
节点详图
包管节点
吊顶节点
墙面节点
地面节点
门节点
其他节点详图
建筑工程节点
景观小品
楼梯节点

weirdo上传时间2023-11-14
文件大小0.16M
设计风格:现代简约
CAD版本:CAD2004
包含文件:CAD
授权独家