CAD频道
CAD图库
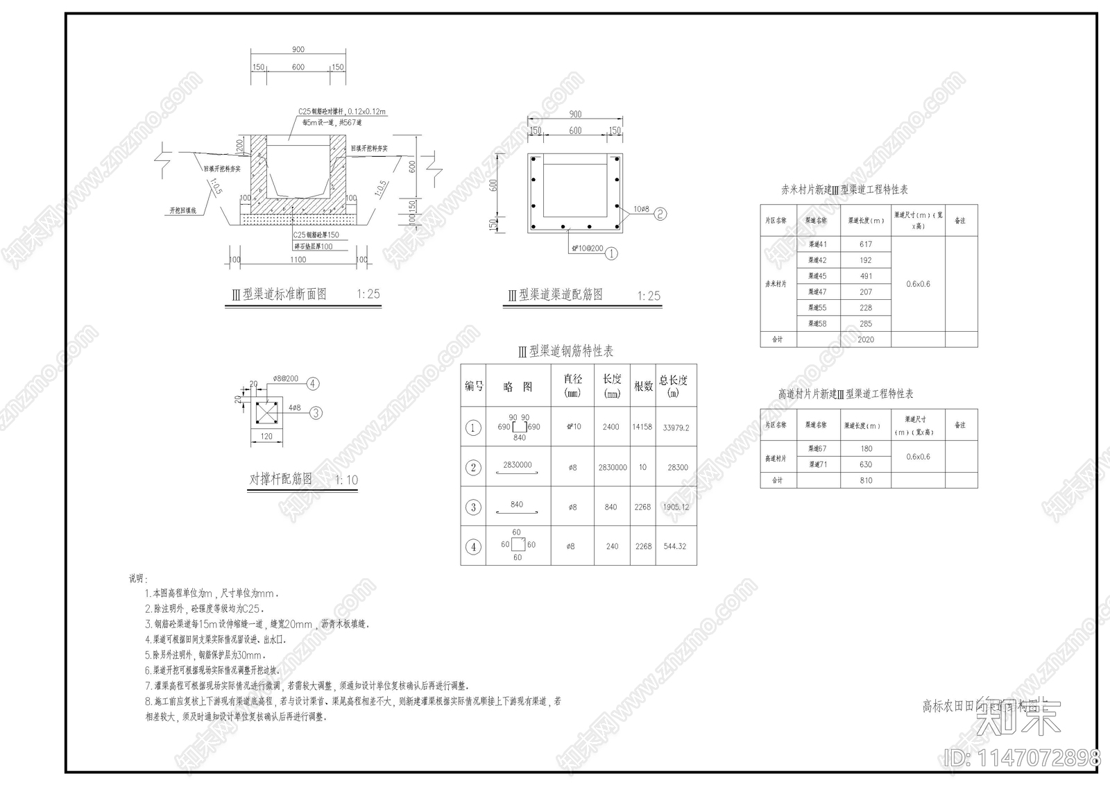
高标准农田水渠改造项目 施工图 园林景观给排水 给排水图
1/
8
Previous
Next
高标准农田水渠改造项目CAD下载
ID: 1147072898
复制
上传作者
QQQQ
上传时间
2023-11-01
文件大小
5.84M
设计风格:
现代简约
CAD版本:
天正CAD6.0
包含文件:
CAD
授权
独家
立即下载
收藏
分享
举报
相关推荐
综合
给排水图
景观给排水
市政给排水
其他给排水