CAD频道
CAD图库
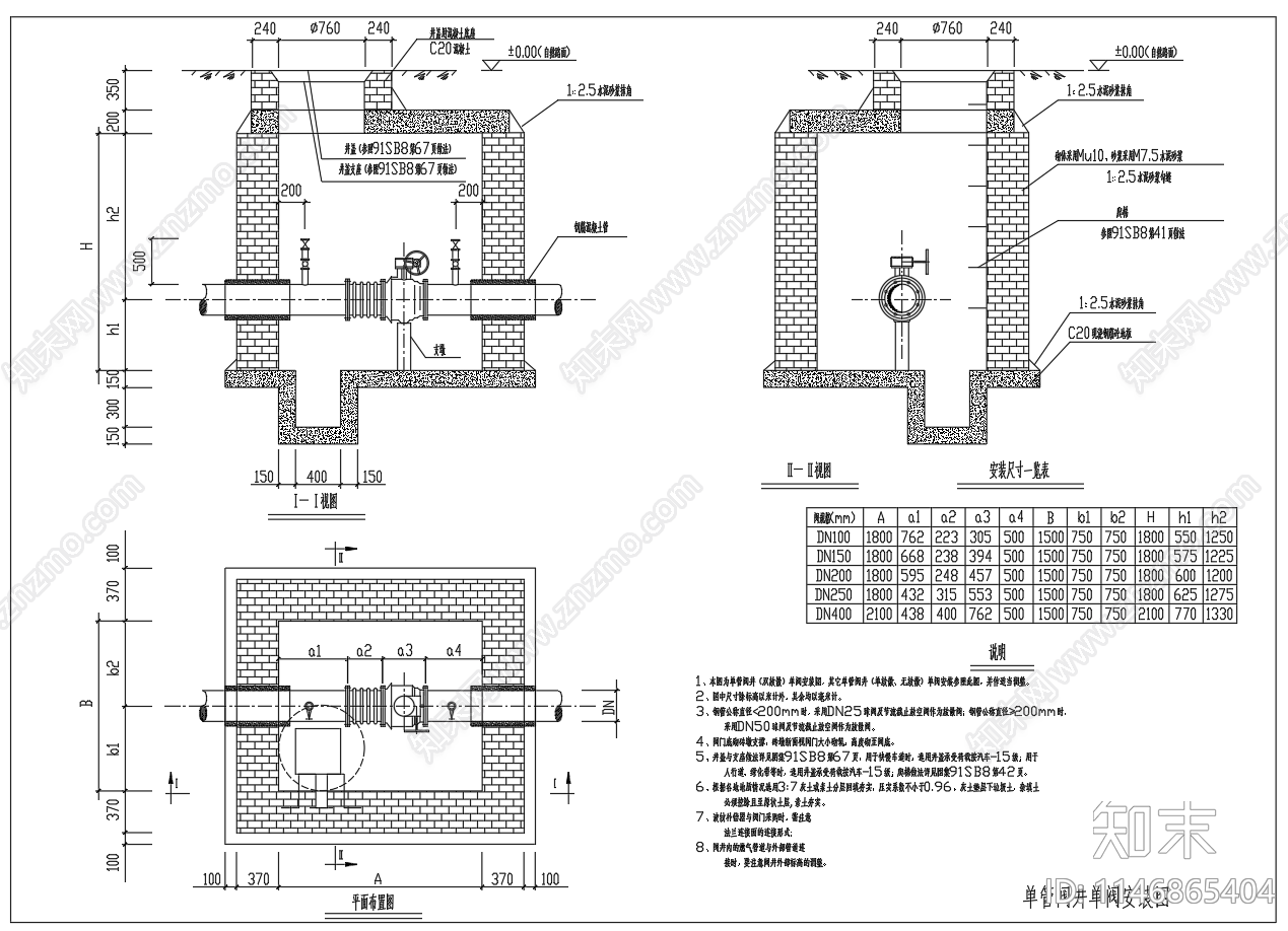
燃气管道阀门井节点 施工图 建筑通用节点
1/
6
Previous
Next
燃气管道阀门井节点CAD下载
ID: 1146865404
复制
上传作者
小小鱼鱼
上传时间
2023-10-29
文件大小
1.09M
设计风格:
现代简约
CAD版本:
CAD2004
包含文件:
CAD
授权
独家
立即下载
收藏
分享
举报
相关推荐
综合
电气工程节点
给排水节点详图
暖通节点
电气节点
水处理节点
其他电气工程节点