CAD频道
CAD图库
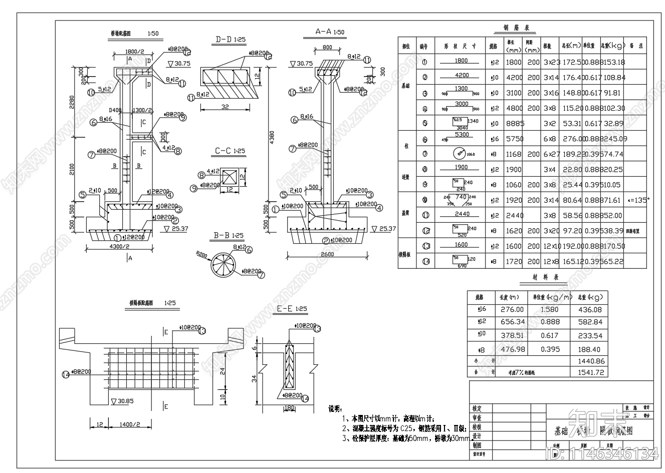
限1吨人行桥结构配筋图 施工图 混凝土节点 结构节点图
1/
7
Previous
Next
限1吨人行桥结构配筋图CAD下载
ID: 1146346134
复制
上传作者
小小鱼鱼
上传时间
2023-10-22
文件大小
0.38M
设计风格:
现代简约
CAD版本:
CAD2000
包含文件:
CAD
授权
独家
立即下载
收藏
分享
举报
相关推荐
综合
结构节点图
混凝土节点
桁架
钢结构节点
幕墙结构节点
转换层
其他结构设计