1/8


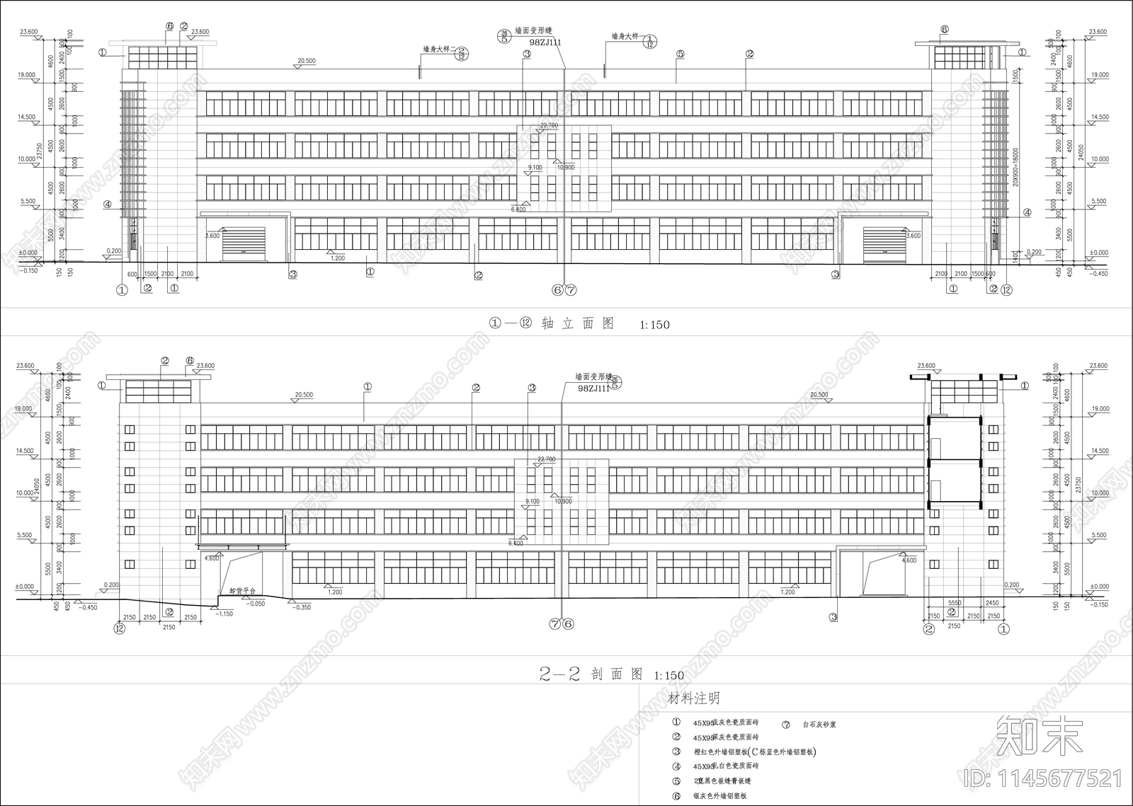
4层中标厂建筑CAD下载
ID: 1145677521
复制
上传作者
承诺不熬椰
承诺不熬椰上传时间2023-10-12
文件大小1.65M
设计风格:现代简约
CAD版本:CAD2010
包含文件:CAD
授权独家
立即下载
收藏
分享
举报
相关推荐
综合
办公工业建筑
产业园建筑
办公楼建筑
厂房
其他办公建筑
政府办公楼
企业总部大厦
科研办公楼
金融办公建筑
研发中心


承诺不熬椰上传时间2023-10-12
文件大小1.65M
设计风格:现代简约
CAD版本:CAD2010
包含文件:CAD
授权独家