1/4


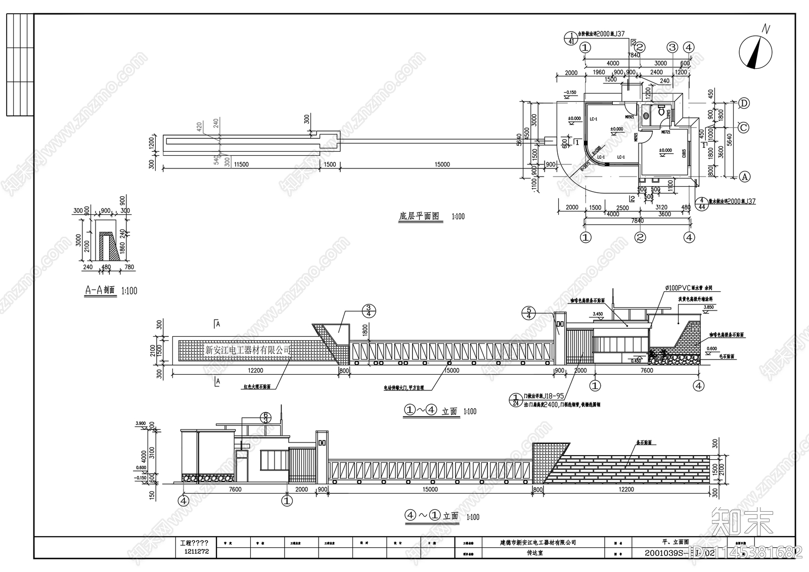
新安江电工器材厂传达室建筑CAD下载
ID: 1145381682
复制
上传作者
常威打来福
常威打来福上传时间2023-10-09
文件大小0.25M
设计风格:现代简约
CAD版本:CAD2004
包含文件:CAD
授权独家
立即下载
收藏
分享
举报
相关推荐
综合
公共建筑
门卫室建筑
会议中心建筑
公厕
行政机构建筑
其他公共建筑
医院建筑
停车楼
消防站
集装箱


常威打来福上传时间2023-10-09
文件大小0.25M
设计风格:现代简约
CAD版本:CAD2004
包含文件:CAD
授权独家