CAD频道
CAD图库
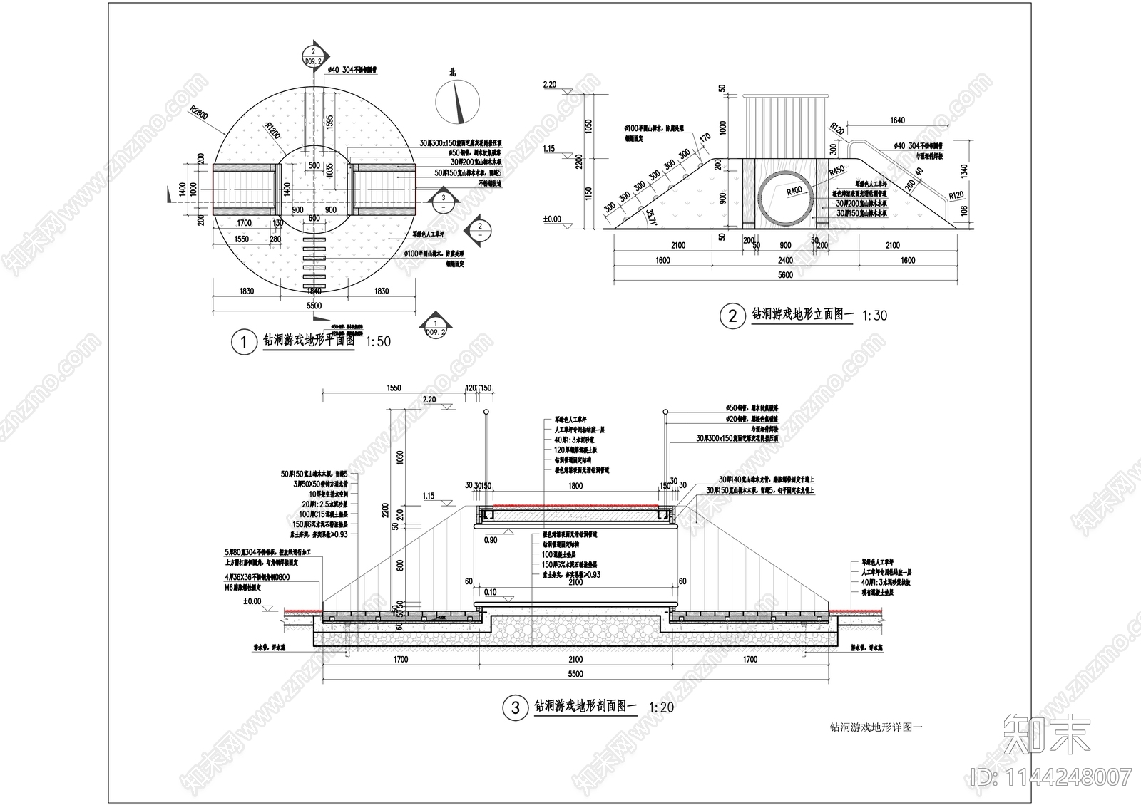
儿童活动区钻洞游戏小品 施工图 景观小品
1/
2
Previous
Next
儿童活动区钻洞游戏小品CAD下载
ID: 1144248007
复制
上传作者
oYMJ
上传时间
2023-09-18
文件大小
0.19M
设计风格:
现代简约
CAD版本:
CAD2004
包含文件:
CAD
授权
独家
立即下载
收藏
分享
举报
相关推荐
综合
景观小品
综合景观小品
亭子
廊架
景墙
雨棚
围墙
挡土墙
入口
景观坐凳