
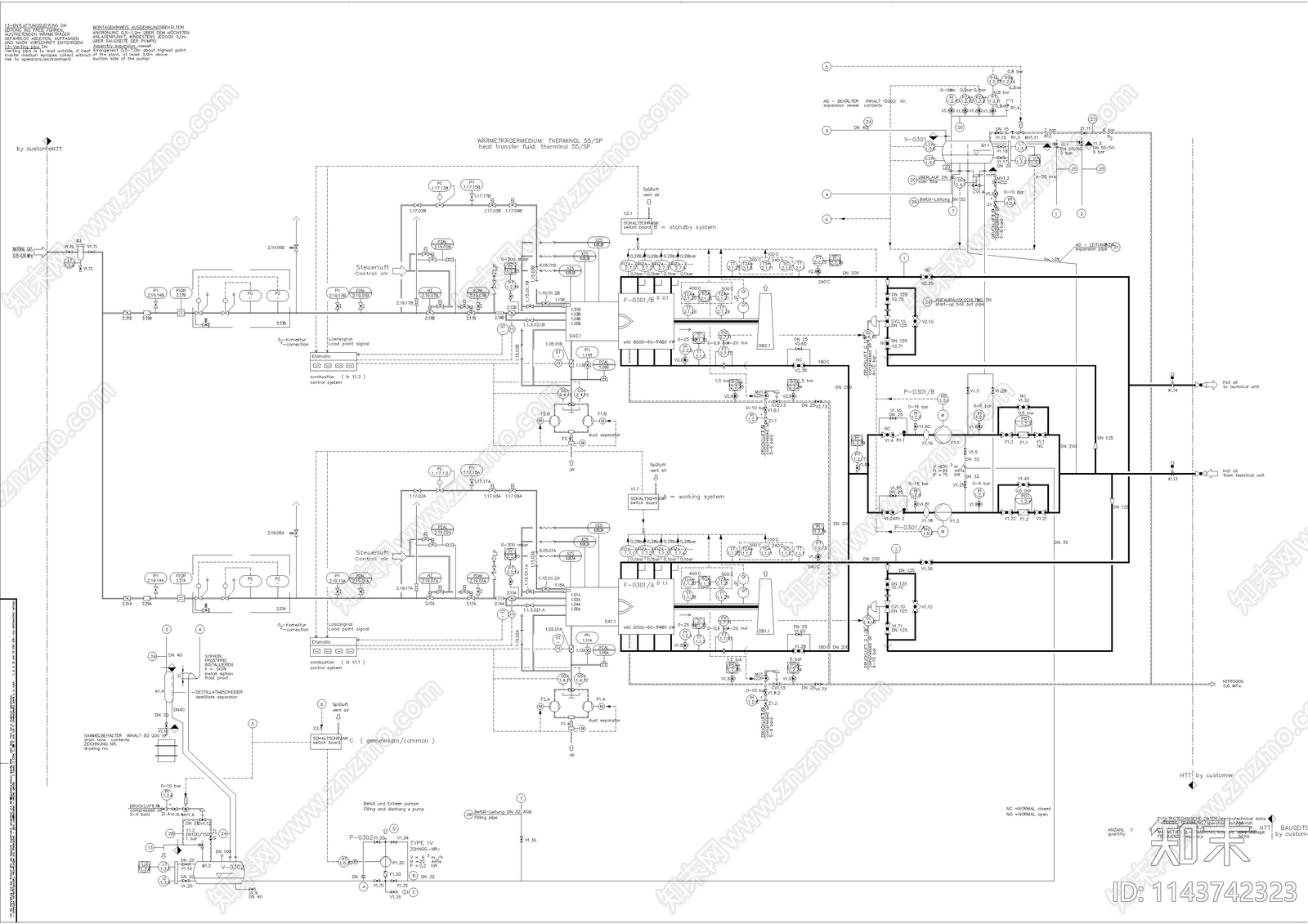
导热油供热系统管道仪表流程CAD下载
ID: 1143742323
复制
上传作者
泡面没佐料
泡面没佐料上传时间2023-09-12
文件大小0.26M
设计风格:--
CAD版本:CAD2008
包含文件:CAD
授权普通
立即下载
收藏
分享
举报
相关推荐
综合
机电工程
电气图
给排水图
水处理
暖通空调
电气工程节点
消防设施
机械设备
其他机电图纸
建筑给排水

泡面没佐料上传时间2023-09-12
文件大小0.26M
设计风格:--
CAD版本:CAD2008
包含文件:CAD
授权普通