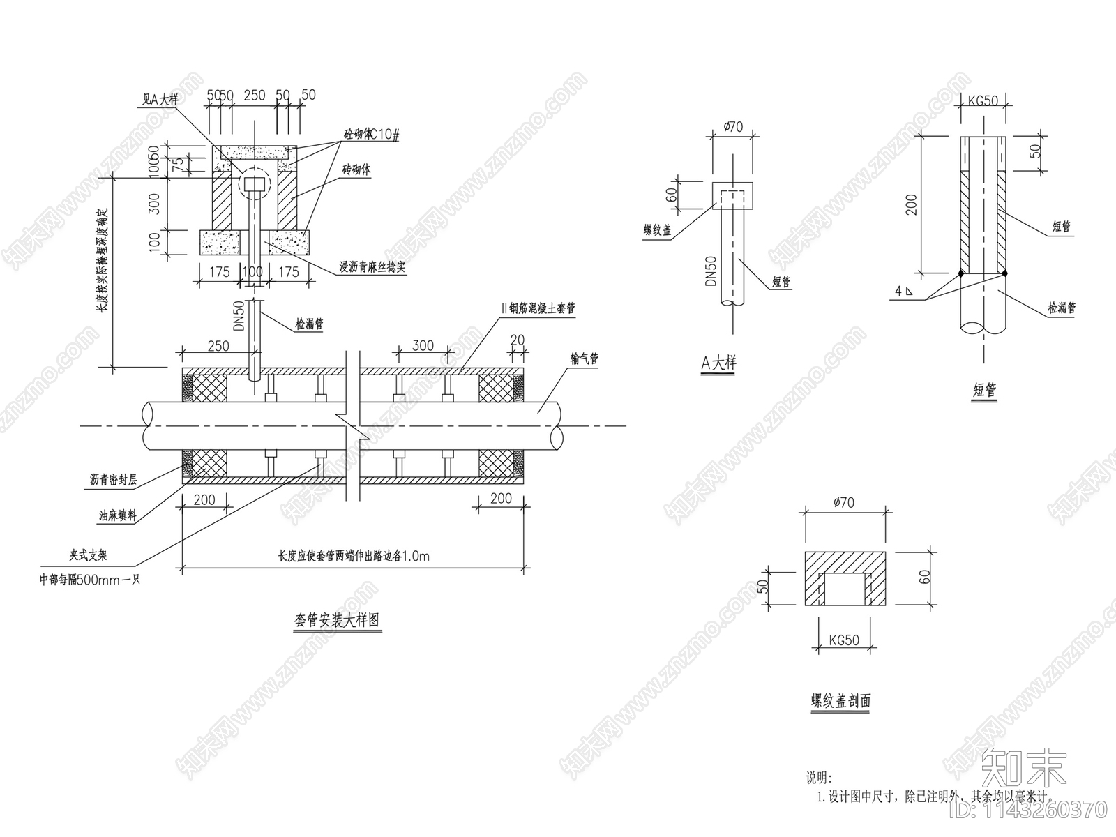
市政燃气套管安装大样施工图下载【ID:1143260370】

市政燃气套管安装大样CAD下载

ID: 1143260370
复制
上传作者
设计(互粉)设计(互粉)

上传时间2023-09-06

文件大小0.1M

设计风格:现代简约

CAD版本:CAD2010

包含文件:CAD

授权普通

立即下载
收藏
分享
举报
相关推荐
综合
电气工程节点
暖通节点
给排水节点详图
电气节点
水处理节点
其他电气工程节点