CAD频道
CAD图库
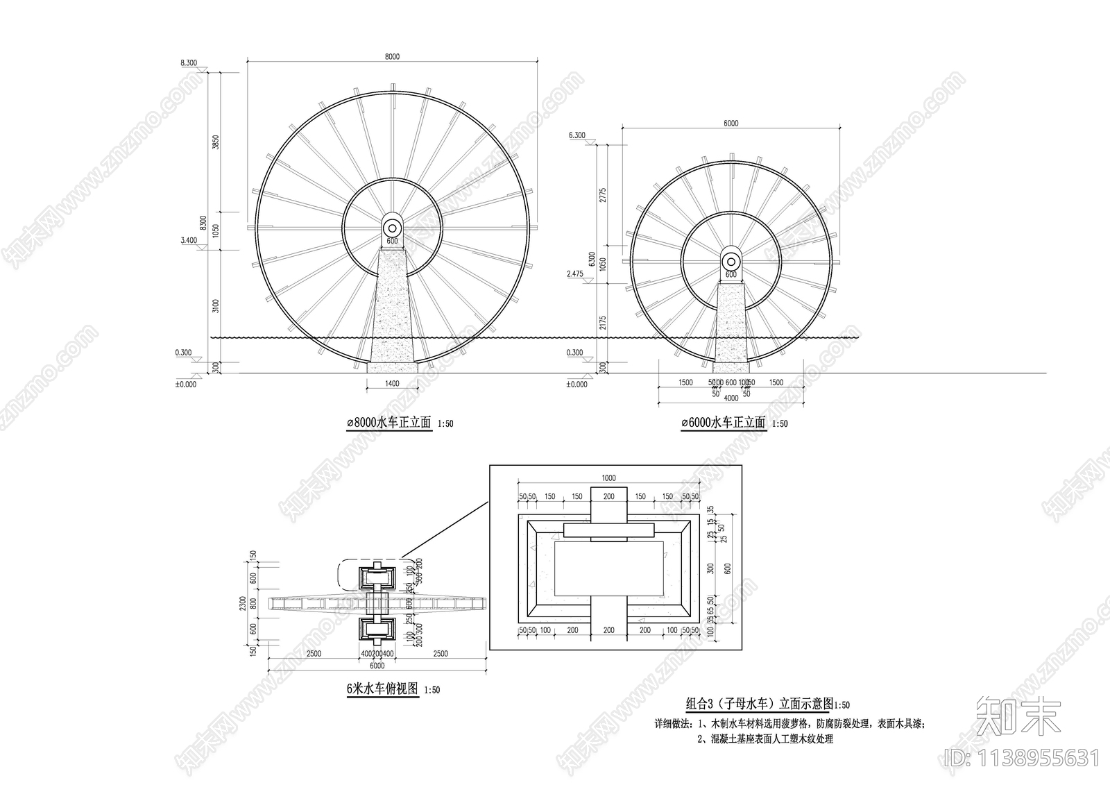
子母水车 施工图 节点详图
1/
3
Previous
Next
子母水车CAD下载
ID: 1138955631
复制
上传作者
浪子不回头
上传时间
2023-07-08
文件大小
0.42M
设计风格:
现代简约
CAD版本:
CAD2004
包含文件:
CAD
授权
独家
立即下载
收藏
分享
举报
相关推荐
综合
景观小品
水车
亭子
廊架
景墙
综合景观小品
雨棚
围墙
挡土墙
入口