1/3


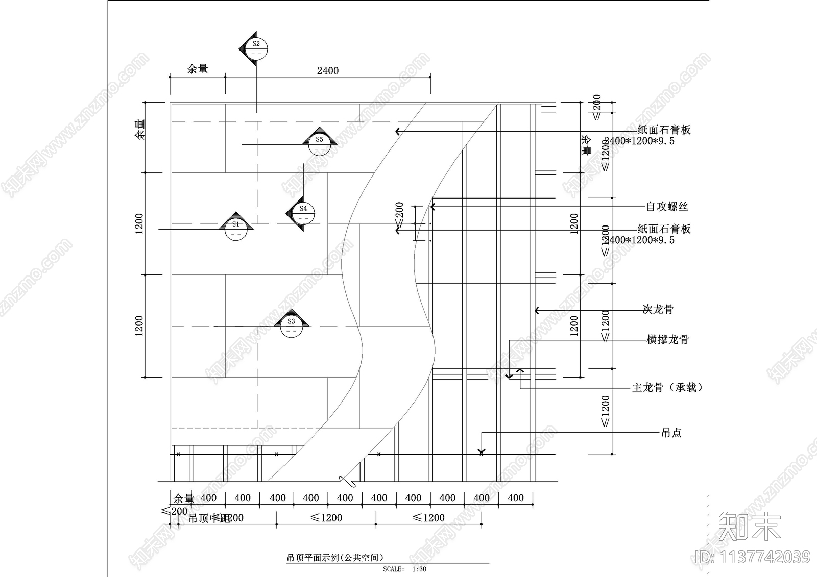
天花节点龙骨示意详图CAD下载
ID: 1137742039
复制
上传作者
小趴菜园
小趴菜园上传时间2023-06-22
文件大小2.26M
设计风格:现代简约
CAD版本:CAD2004
包含文件:CAD
授权普通
立即下载
收藏
分享
举报
相关推荐
综合
吊顶节点
石膏板吊顶
方通吊顶
格栅吊顶
扣板吊顶
软膜天花
铝单板吊顶
GRG吊顶节点
矿棉板吊顶


小趴菜园上传时间2023-06-22
文件大小2.26M
设计风格:现代简约
CAD版本:CAD2004
包含文件:CAD
授权普通