1/2


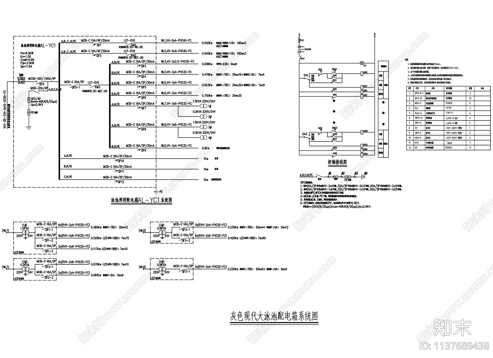
泳池水电系统CAD下载
ID: 1137689438
复制
上传作者
李某的某(关注必回)
李某的某(关注必回)上传时间2023-06-21
文件大小0.2M
设计风格:现代简约
CAD版本:CAD2004
包含文件:CAD
授权独家
立即下载
收藏
分享
举报
相关推荐
综合
机电工程
电气图
给排水图
水处理
暖通空调
电气工程节点
消防设施
机械设备
其他机电图纸
建筑给排水


李某的某(关注必回)上传时间2023-06-21
文件大小0.2M
设计风格:现代简约
CAD版本:CAD2004
包含文件:CAD
授权独家