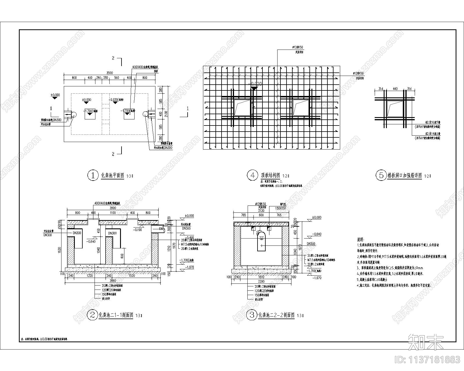
化粪池详图施工图下载【ID:1137181883】

化粪池详图CAD下载

ID: 1137181883
复制
上传作者
园林园林

上传时间2023-06-14

文件大小0.06M

设计风格:现代简约

CAD版本:CAD2000

包含文件:CAD

授权独家

立即下载
收藏
分享
举报
相关推荐
综合
电气工程节点
水处理节点
给排水节点详图
暖通节点
电气节点
其他电气工程节点