CAD频道
CAD图库
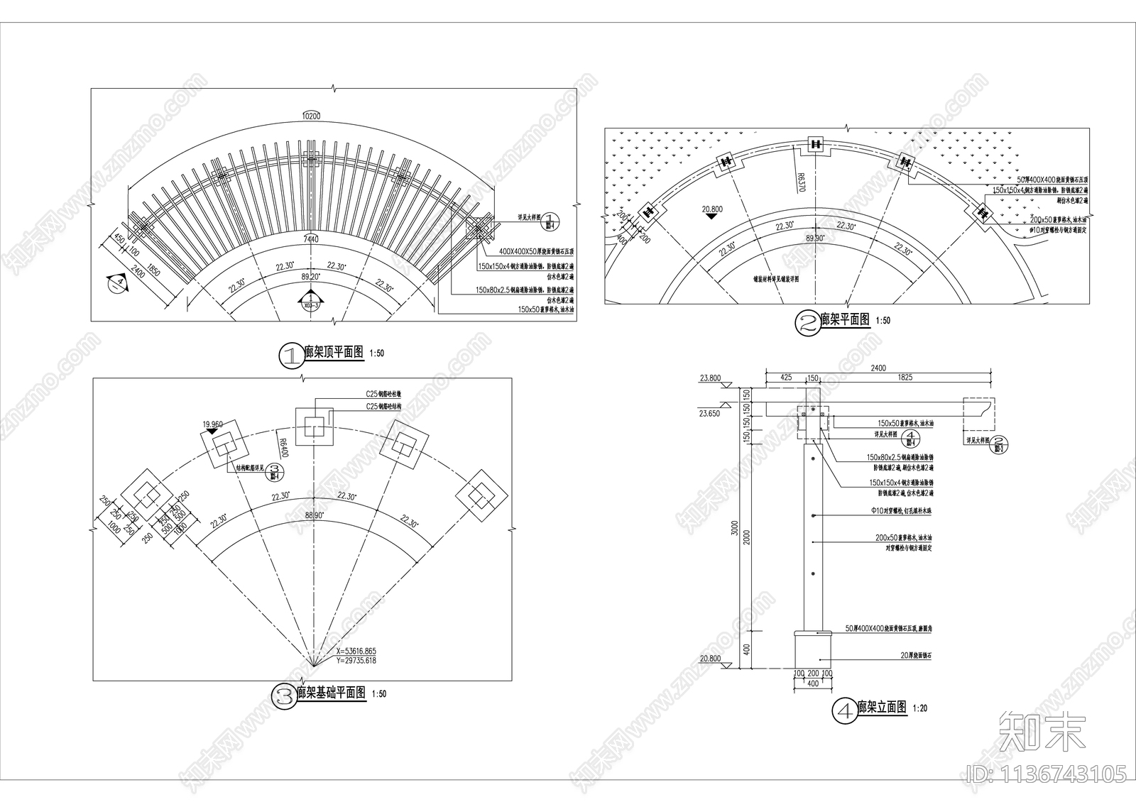
景观弧形廊架 施工图
1/
6
Previous
Next
景观弧形廊架CAD下载
ID: 1136743105
复制
上传作者
设计不设计
上传时间
2023-06-08
文件大小
0.94M
设计风格:
现代简约
CAD版本:
天正CAD4.0
包含文件:
CAD
授权
独家
立即下载
收藏
分享
举报
相关推荐
综合
景观小品
廊架
亭子
景墙
综合景观小品
雨棚
围墙
挡土墙
入口
景观坐凳