1/2


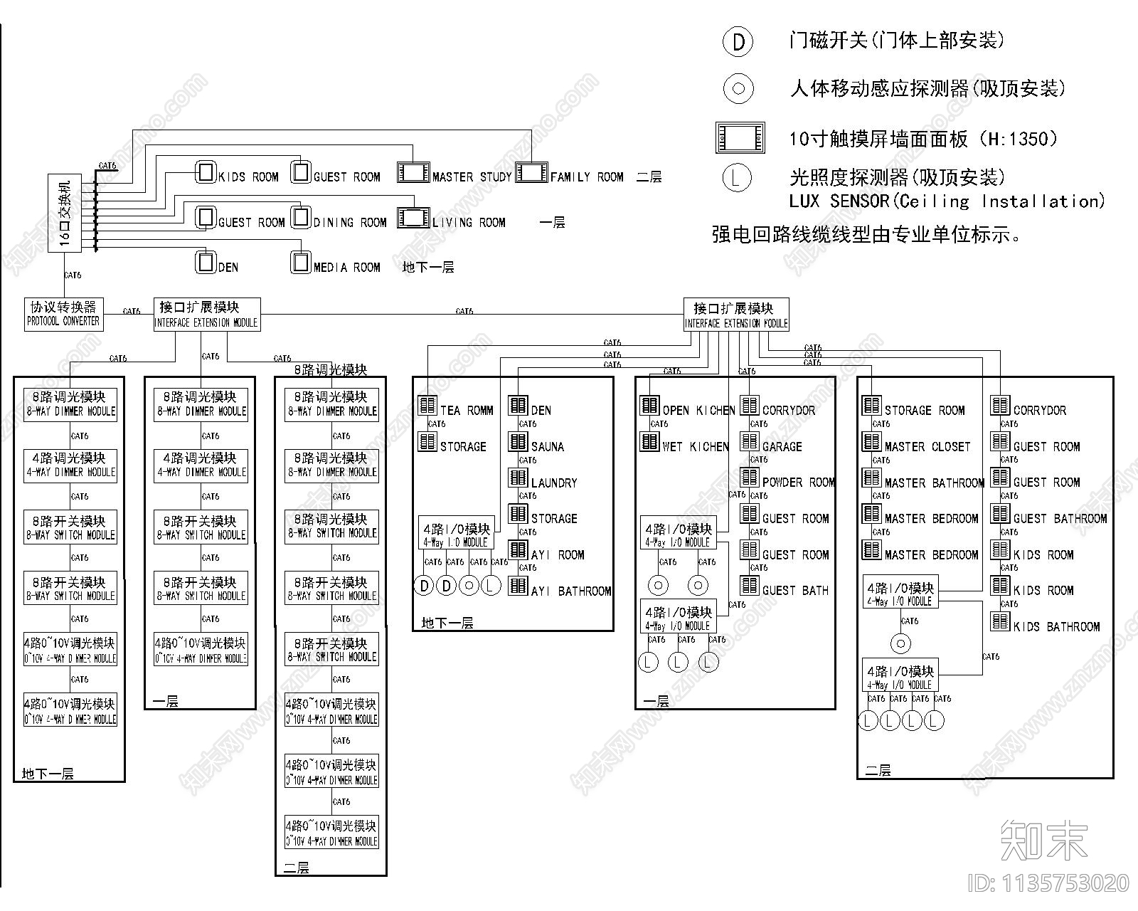
灯光智能控制系统CAD下载
ID: 1135753020
复制
上传作者
89943953
89943953上传时间2023-05-25
文件大小0.54M
设计风格:现代简约
CAD版本:CAD2017
包含文件:CAD
授权普通
立即下载
收藏
分享
举报
相关推荐
综合
机电工程
电气图
给排水图
水处理
暖通空调
电气工程节点
消防设施
机械设备
其他机电图纸
建筑给排水


89943953上传时间2023-05-25
文件大小0.54M
设计风格:现代简约
CAD版本:CAD2017
包含文件:CAD
授权普通