1/3


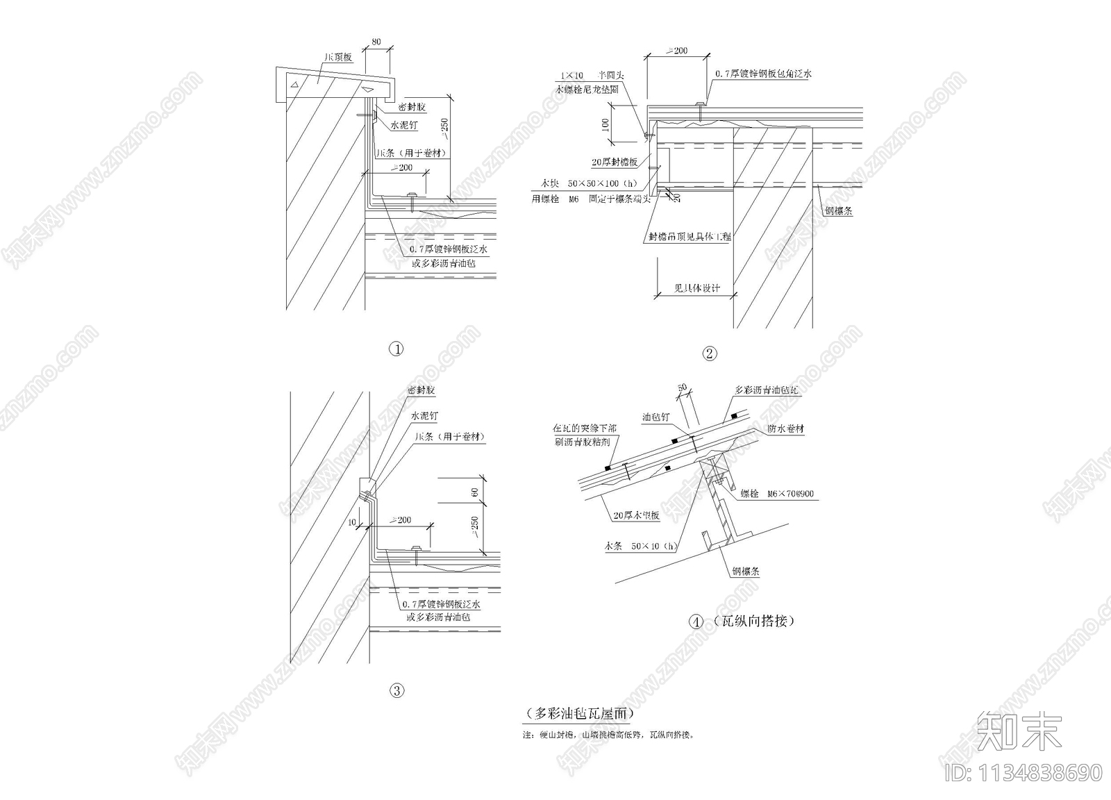
多彩沥青油毡瓦屋面大样CAD下载
ID: 1134838690
复制
上传作者
洋洋创设
洋洋创设上传时间2023-05-13
文件大小0.45M
设计风格:现代简约
CAD版本:CAD2004
包含文件:CAD
授权独家
立即下载
收藏
分享
举报
相关推荐
综合
建筑工程节点
建筑综合节点
屋顶
柱子节点
吊装节点
斗拱节点
楼板节点
女儿墙节点
塔吊节点
天窗节点


洋洋创设上传时间2023-05-13
文件大小0.45M
设计风格:现代简约
CAD版本:CAD2004
包含文件:CAD
授权独家