1/3


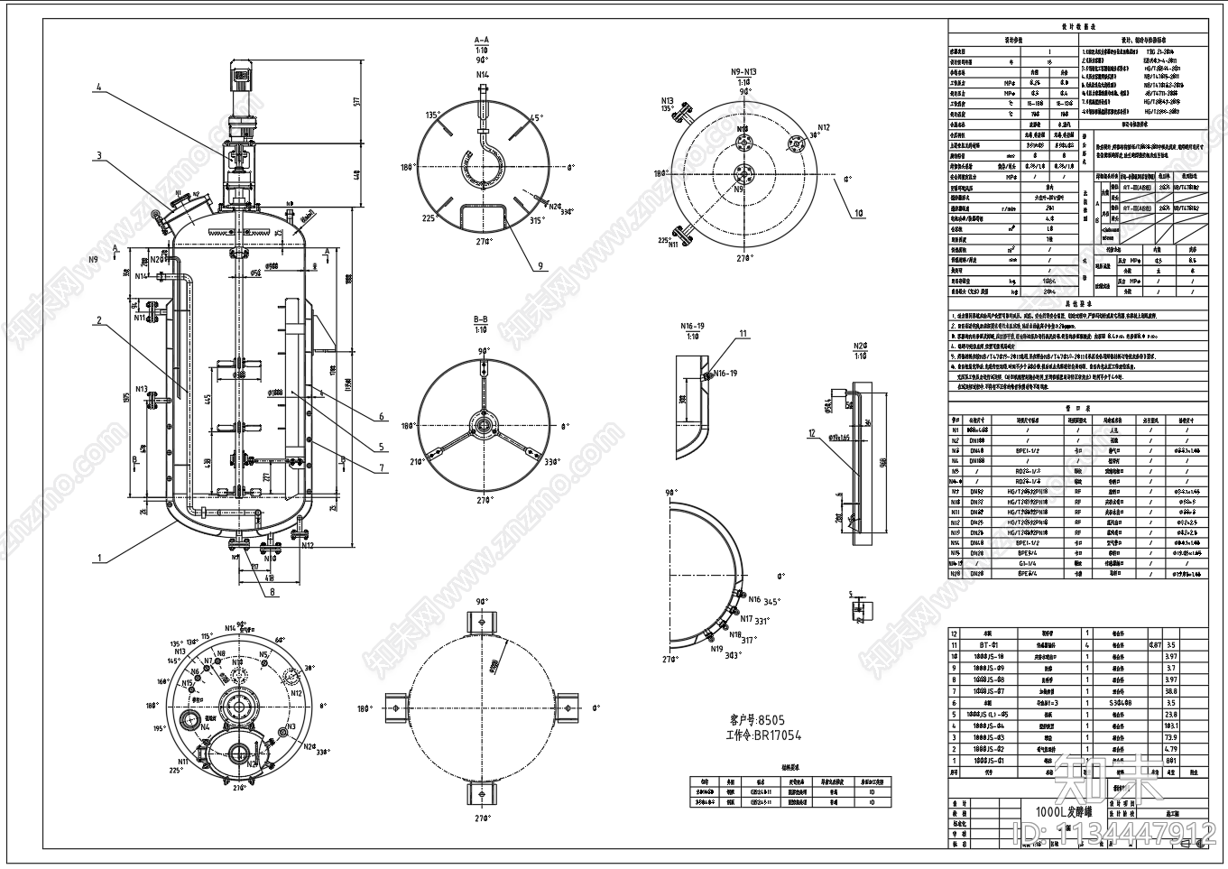
1000L发酵罐总图装配图CAD下载
ID: 1134447912
复制
上传作者
小小鱼鱼
小小鱼鱼上传时间2023-05-08
文件大小0.21M
设计风格:现代简约
CAD版本:CAD2000
包含文件:CAD
授权独家
立即下载
收藏
分享
举报
相关推荐
综合
节点详图
其他节点详图
吊顶节点
墙面节点
地面节点
门节点
建筑工程节点
景观小品
楼梯节点
水景


小小鱼鱼上传时间2023-05-08
文件大小0.21M
设计风格:现代简约
CAD版本:CAD2000
包含文件:CAD
授权独家